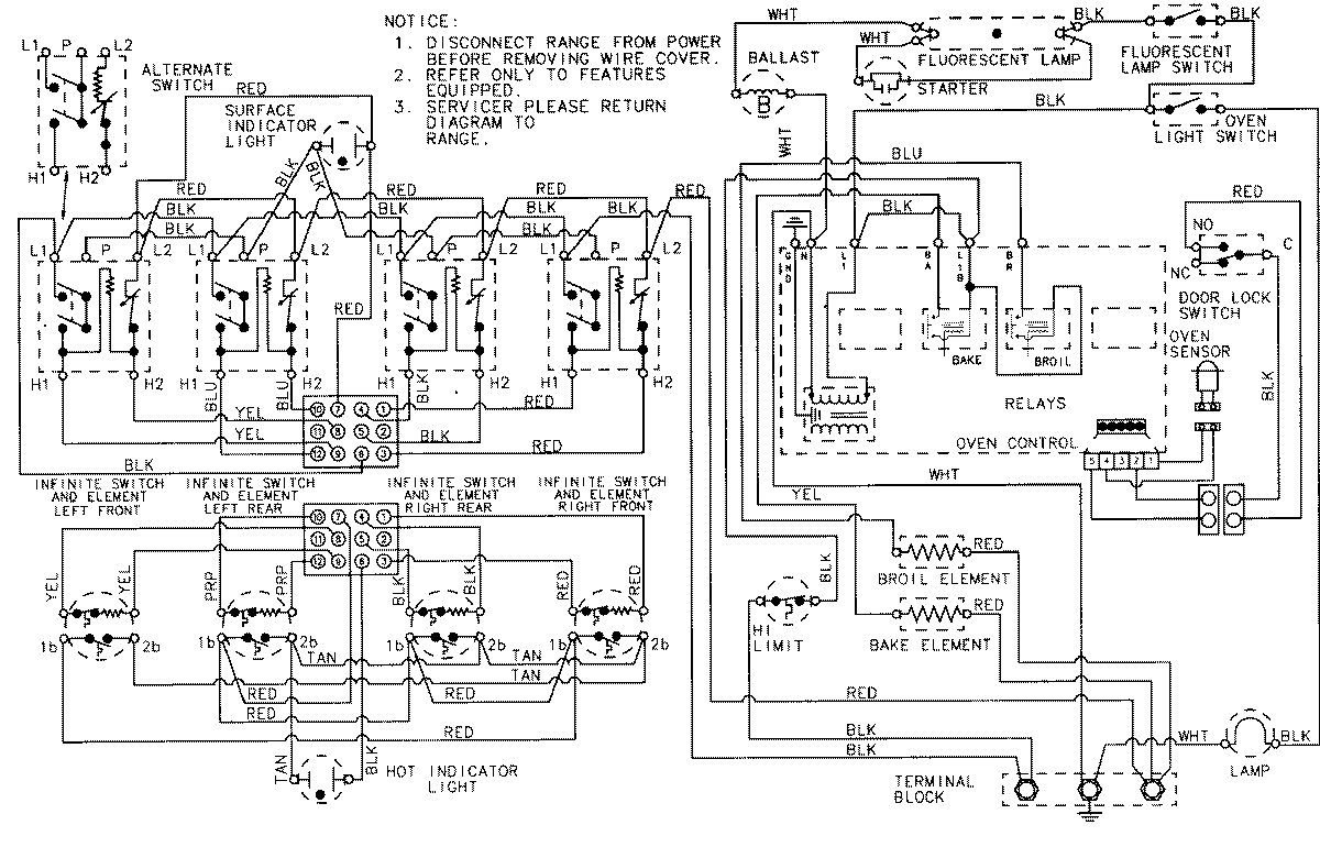
FCE70610A 06 – WIRING INFORMATIONadmin2025-04-26T09:31:20+00:00FCE70610A 06 – WIRING INFORMATION ProductsPositionProductNIMAY 15001558