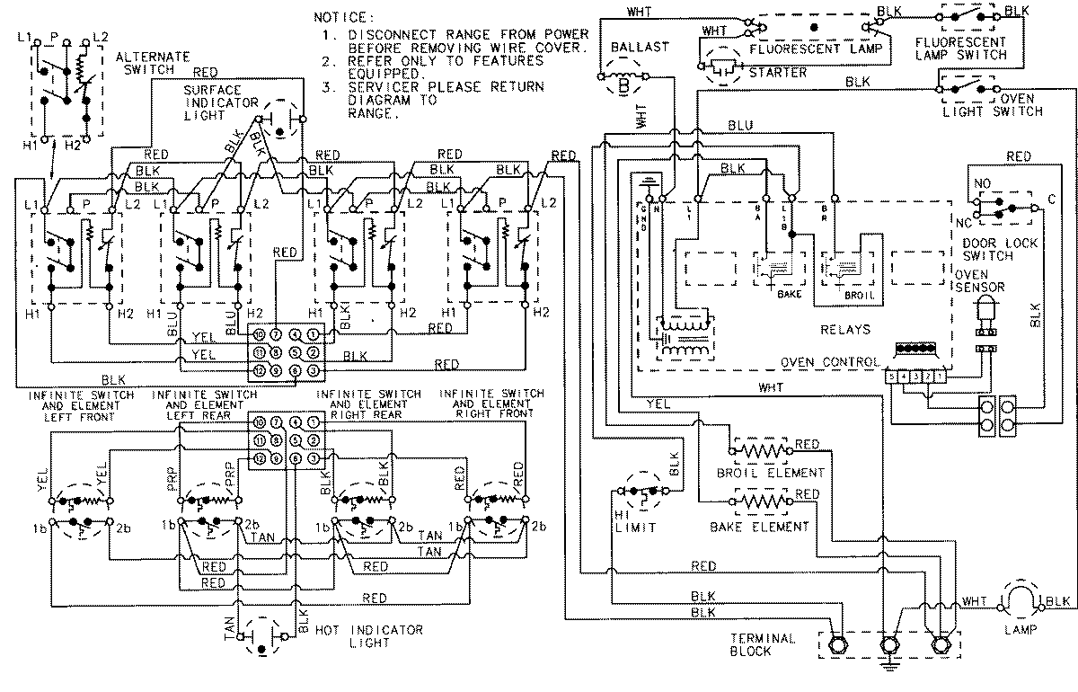
FCE70610B 06 – WIRING INFORMATIONadmin2025-04-26T09:29:24+00:00FCE70610B 06 – WIRING INFORMATION ProductsPositionProductNIMAY 15001558