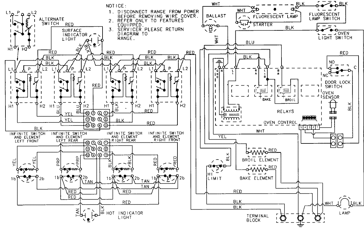
FCE70610W 06 – WIRING INFORMATIONadmin2025-04-26T09:32:54+00:00FCE70610W 06 – WIRING INFORMATION ProductsPositionProductNIMAY 15001558