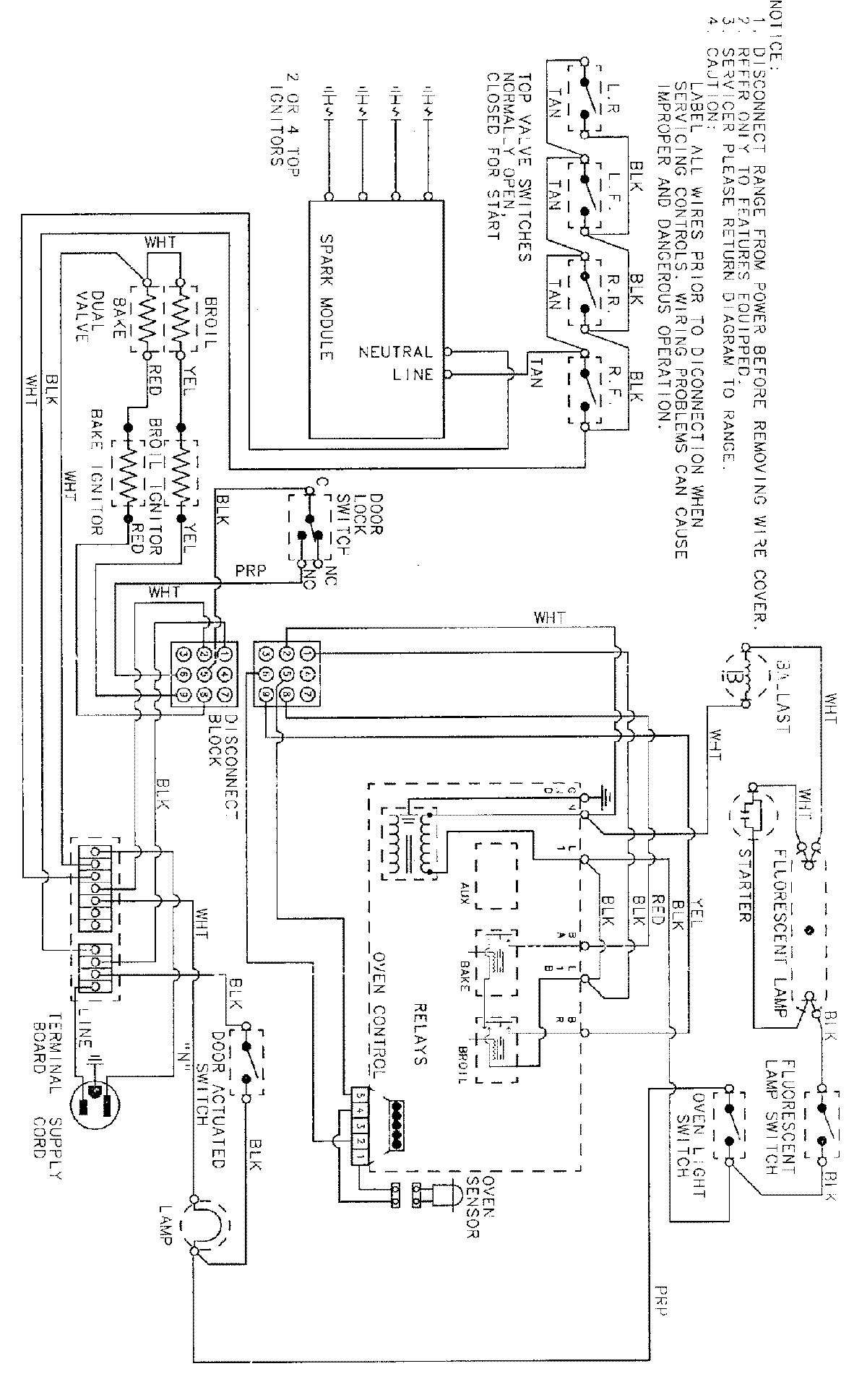
FCG20100W 07 – WIRING INFORMATIONadmin2025-04-26T09:32:30+00:00FCG20100W 07 – WIRING INFORMATION ProductsPositionProductNIMAY 15001546