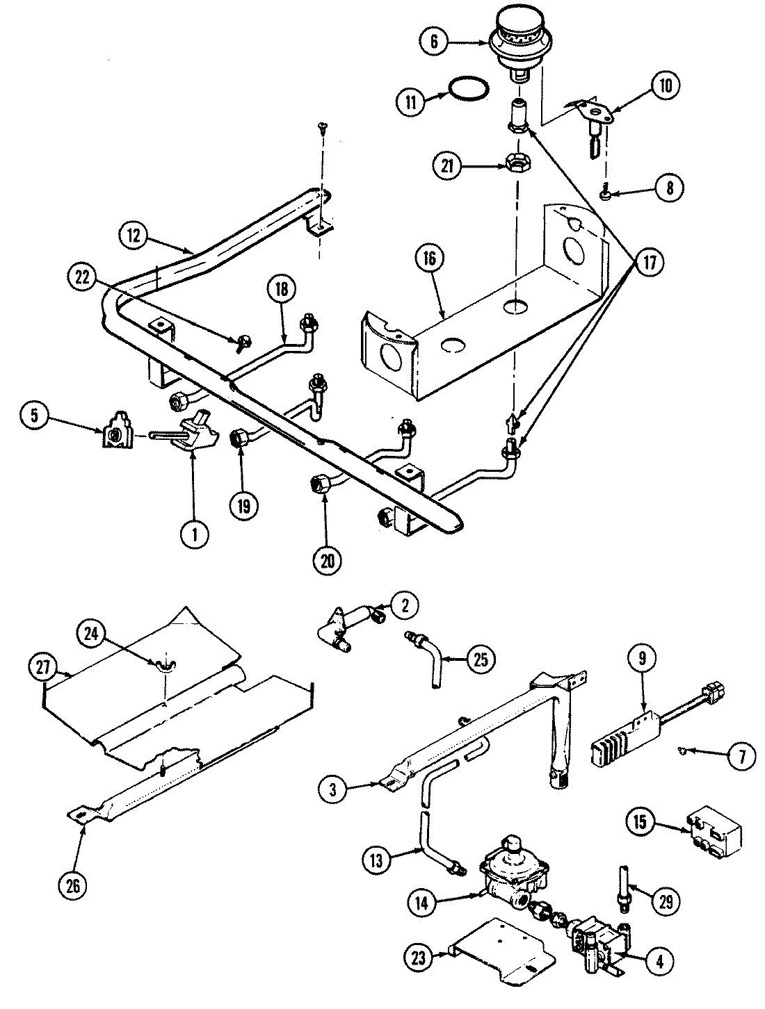
FCG2041W 03 – GAS CONTROLSadmin2025-04-26T09:29:53+00:00FCG2041W 03 – GAS CONTROLS ProductsPositionProduct1MAY 7502P251-602MAY 3605F186-452MAY 7507P088-603MAY 3807F446-453MAY 3403D043-454WP74006427 Whirlpool Oven Valve5WP7403P279-60 Whirlpool Igniter Switch6MAY 3412D018-267SCREW (10-24X5/16-NI)8MAY 7101P315-609MAY 4005F421-459MAY 7432P076-6010NOT REQUIRED PART OR SEE NOTE FUSE (NOT REQUIRED)11MAY 7201P050-6012MAY 7513P120-6013MAY 3414F103-4413MAY 7103P130-6014MAY 7510P050-6015MAY 7118P015-6015MAY 7431P027-6016MAY 3807F451-4517MAY 7507P113-6018MAY 7507P085-6019MAY 7507P084-6020MAY 7507P091-6021MAY 7103P119-6022MAY 7101P044-6023MAY 8020P007-6023MAY 7101P290-6024NUT, WING25MAY 3414F102-4426MAY 3403D024-4527MAY 3601F217-4528MAY 5140D035-6028MAY 5125A357-6028MAY 5120D019-60