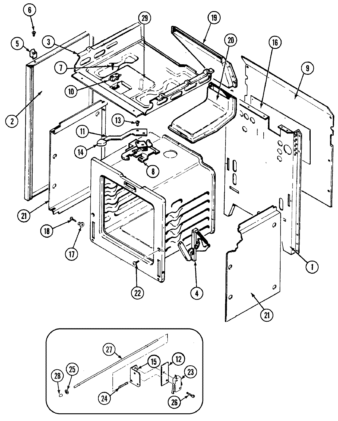
FCG2042W 01 – BODY