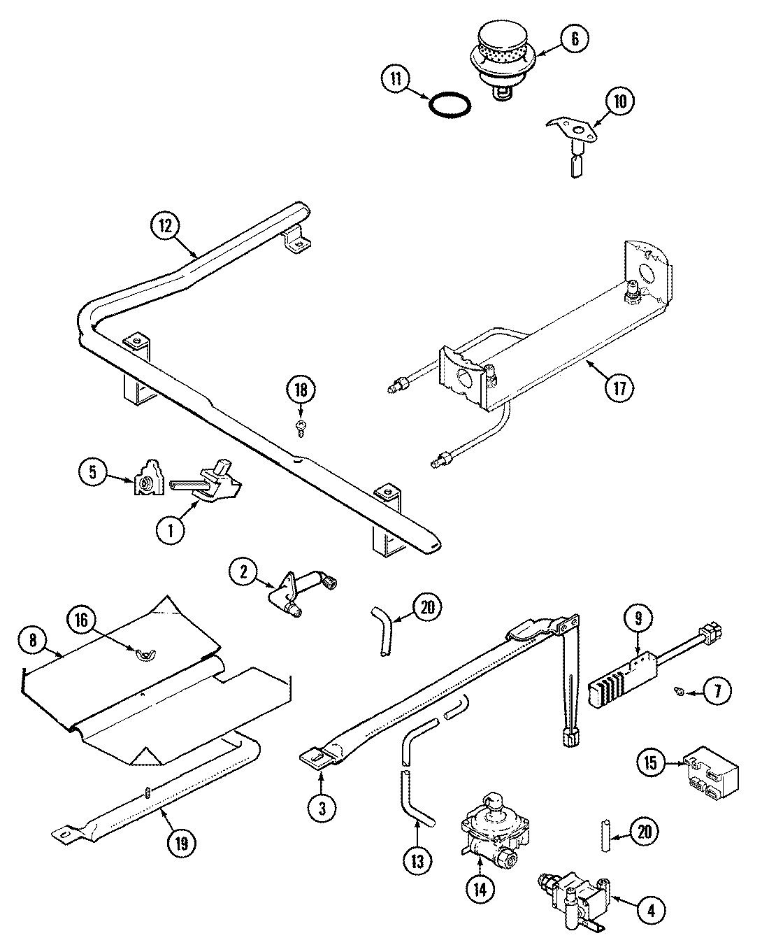
FCG2042W 03 – CONTROL SYSTEMadmin2025-04-26T09:32:42+00:00FCG2042W 03 – CONTROL SYSTEM ProductsPositionProduct1MAY 7502P251-602MAY 7507P088-602MAY 3605F186-453MAY 3403D043-453MAY 3807F446-454WP74006427 Whirlpool Oven Valve5WP7403P279-60 Whirlpool Igniter Switch6MAY 3412D018-267SCREW (10-24X5/16-NI)8MAY 3601F217-459MAY 7432P076-609MAY 4005F421-4510NOT REQUIRED PART OR SEE NOTE FUSE (NOT REQUIRED)11MAY 7201P050-6012MAY 7513P120-6013MAY 7103P130-6013MAY 3414F103-4414WP74006429 Whirlpool Regulator15SCREW15MAY 7431P027-6016NUT, WING17MAY 5187D034-6017MAY 5187D035-6018MAY 7101P044-6019MAY 3403D024-4520MAY 3414F102-4421MAY 5140D035-6021MAY 5120D019-6021MAY 5125A357-60