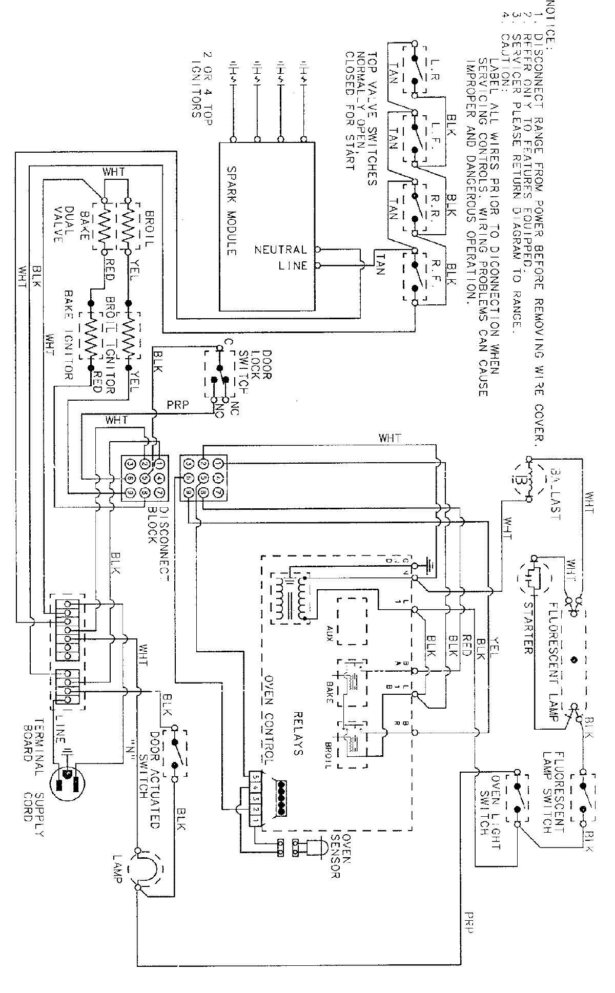
FCG20500A 07 – WIRING INFORMATIONadmin2025-04-26T09:31:35+00:00FCG20500A 07 – WIRING INFORMATION ProductsPositionProductNIMAY 15001546