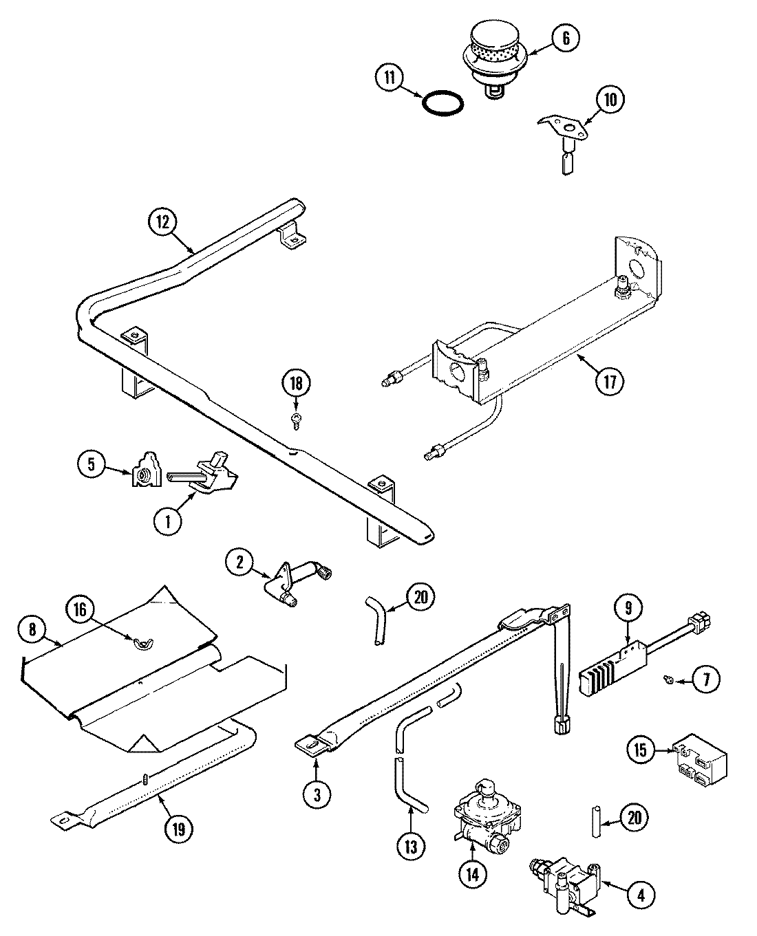
FCG20500W 04 – GAS CONTROLS