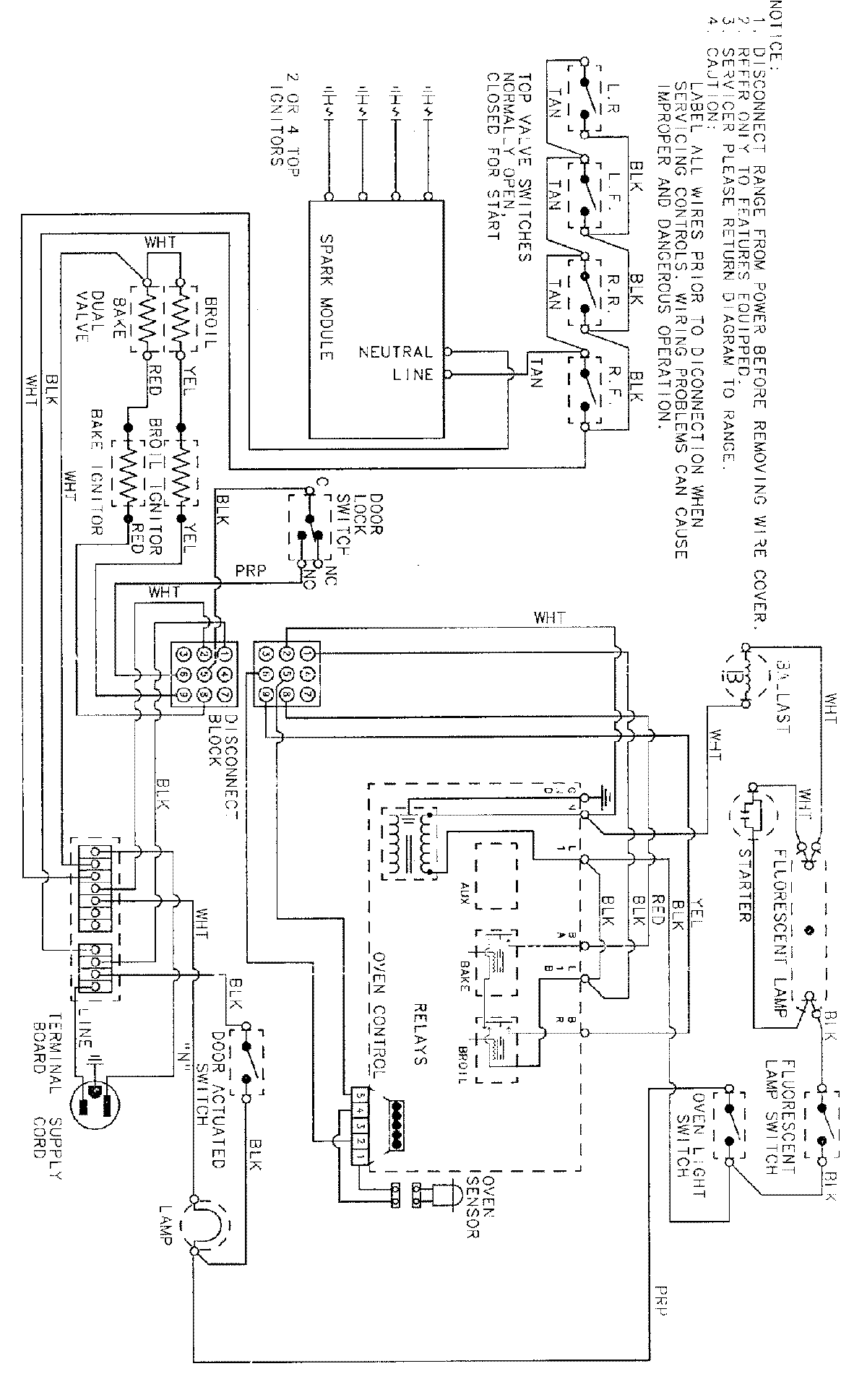
FCG20500W 07 – WIRING INFORMATIONadmin2025-04-26T09:30:58+00:00FCG20500W 07 – WIRING INFORMATION ProductsPositionProductNIMAY 15001546