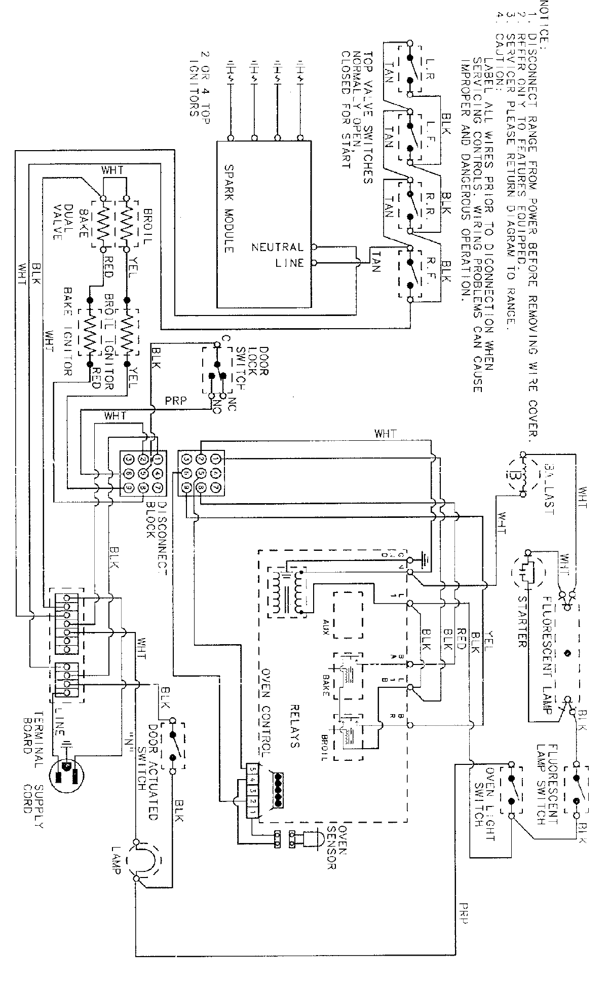
FCG20510B 07 – WIRING INFORMATIONadmin2025-04-26T09:31:22+00:00FCG20510B 07 – WIRING INFORMATION ProductsPositionProductNIMAY 15001546