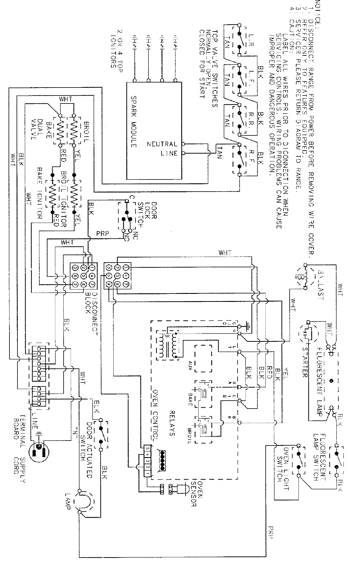
FCG20510W 07 – WIRING INFORMATION

FCG20510W 07 – WIRING INFORMATION

Products

PositionProduct
NIMAY 15001546