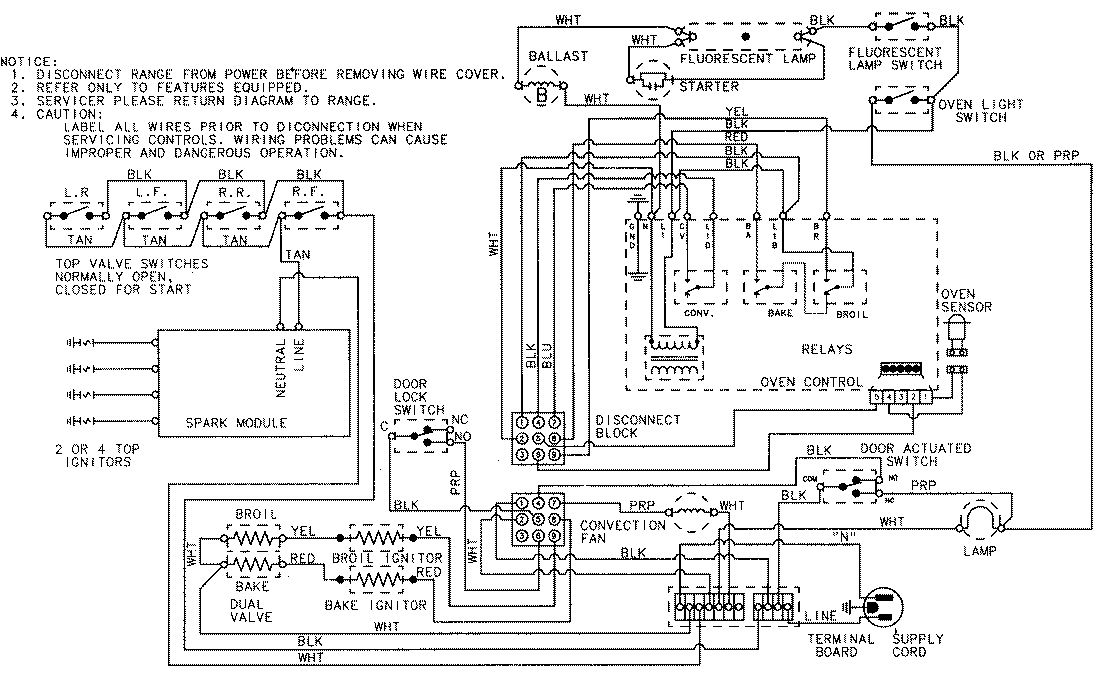
FCG20600B 07 – WIRING INFORMATIONadmin2025-04-26T09:31:25+00:00FCG20600B 07 – WIRING INFORMATION ProductsPositionProductNIMAY 15001829