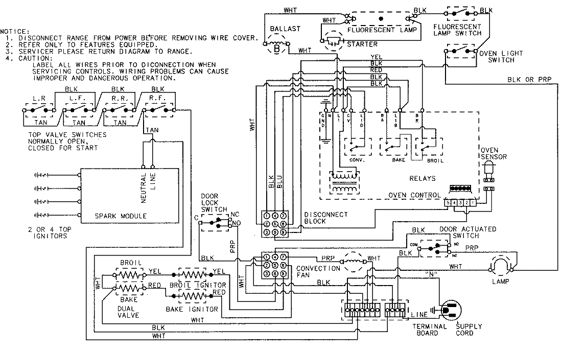
FCG20600W 07 – WIRING INFORMATIONadmin2025-04-26T09:30:42+00:00FCG20600W 07 – WIRING INFORMATION ProductsPositionProductNIMAY 15001829