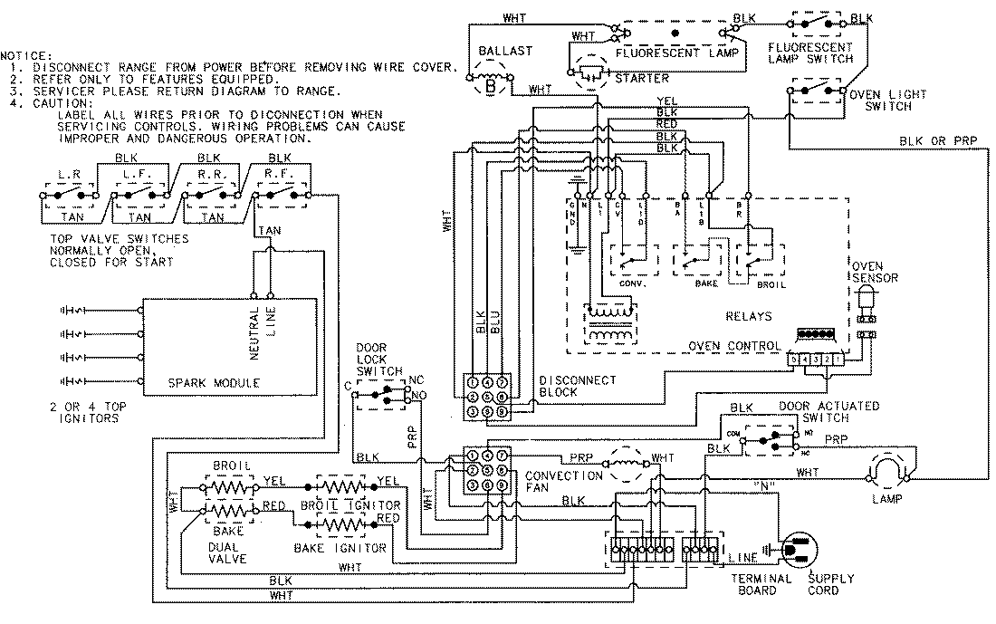
FCG20610B 07 – WIRING INFORMATIONadmin2025-04-26T09:31:32+00:00FCG20610B 07 – WIRING INFORMATION ProductsPositionProductNIMAY 15001829