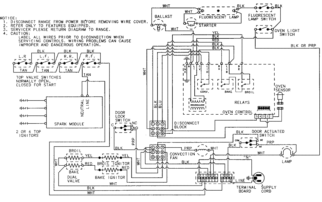
FCG20610W 07 – WIRING INFORMATIONadmin2025-04-26T09:28:53+00:00FCG20610W 07 – WIRING INFORMATION ProductsPositionProductNIMAY 15001829