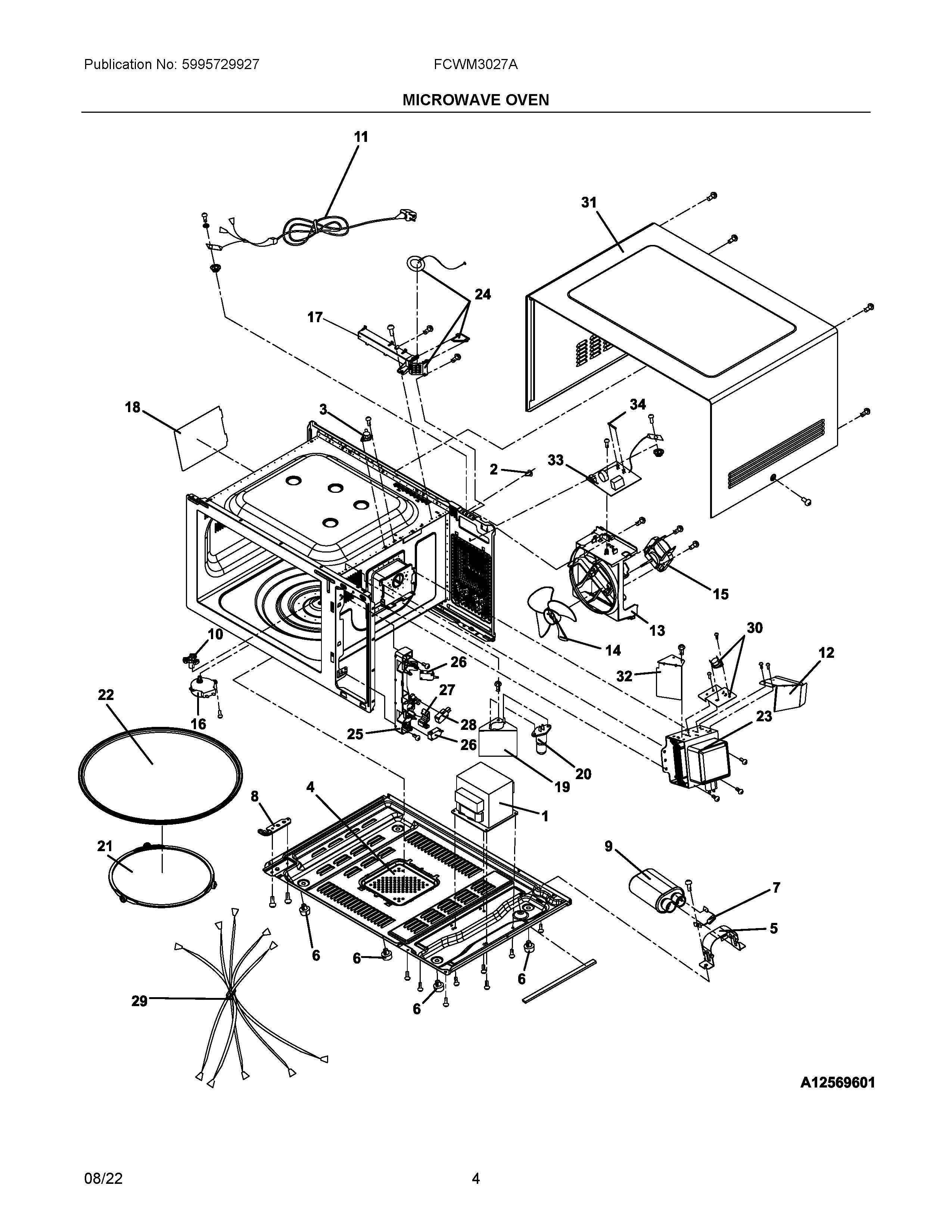
FCWM3027ADA 03 – MICROWAVE OVENadmin2025-04-26T10:52:11+00:00FCWM3027ADA 03 – MICROWAVE OVEN ProductsPositionProduct15304513457 Frigidaire Microwave High Voltage Transformer2BRACKET, STIRRER35304520011 Frigidaire Microwave Thermostat4BASE, PLATE55304509477 Frigidaire Retainer65304505674 Frigidaire Microwave Foot7DIODE, HIGH VOLTAGE85304519320 Frigidaire Microwave Hinge95304520013 Frigidaire Microwave Capacitor105304520014 Frigidaire Microwave Coupler11POWER CORD125304513477 Frigidaire Microwave Guide135304519349 Frigidaire Guide145304519350 Frigidaire Microwave Blade155304509471 Frigidaire Microwave Motor165304518905 Frigidaire Microwave Motor17GUIDE185304505675 Frigidaire Microwave Stirrer Blade Cover195304520017 Frigidaire Microwave Cover205304514246 Frigidaire Microwave Lamp215304505673 Frigidaire Microwave Support225304509621 Frigidaire Microwave Glass Tray235304513456 Frigidaire Microwave Magnetron245304520018 Frigidaire Microwave Sensor255304519341 Frigidaire Microwave Bracket26ASWITCH265304520019 Frigidaire Microwave Microswitch275304519342 Frigidaire Microwave Lever285304520021 Frigidaire Microwave Microswitch295304520022 Frigidaire Microwave Harness305304515183 Frigidaire Microwave Thermostat31WRAPPER32COVER, WIND GUIDE335304525109 Frigidaire Microwave Filter345304509451 Frigidaire Microwave Fuse