| *59770 | WCI 154227805 |
| *59769 | 154200701 Frigidaire Dishwasher Screw |
| *59772 | 154641601 Frigidaire Dishwasher Insulation |
| *59773 | 5304520581 Frigidaire Dishwasher Insulation |
| *59771 | 154297701 Frigidaire Dishwasher Screw |
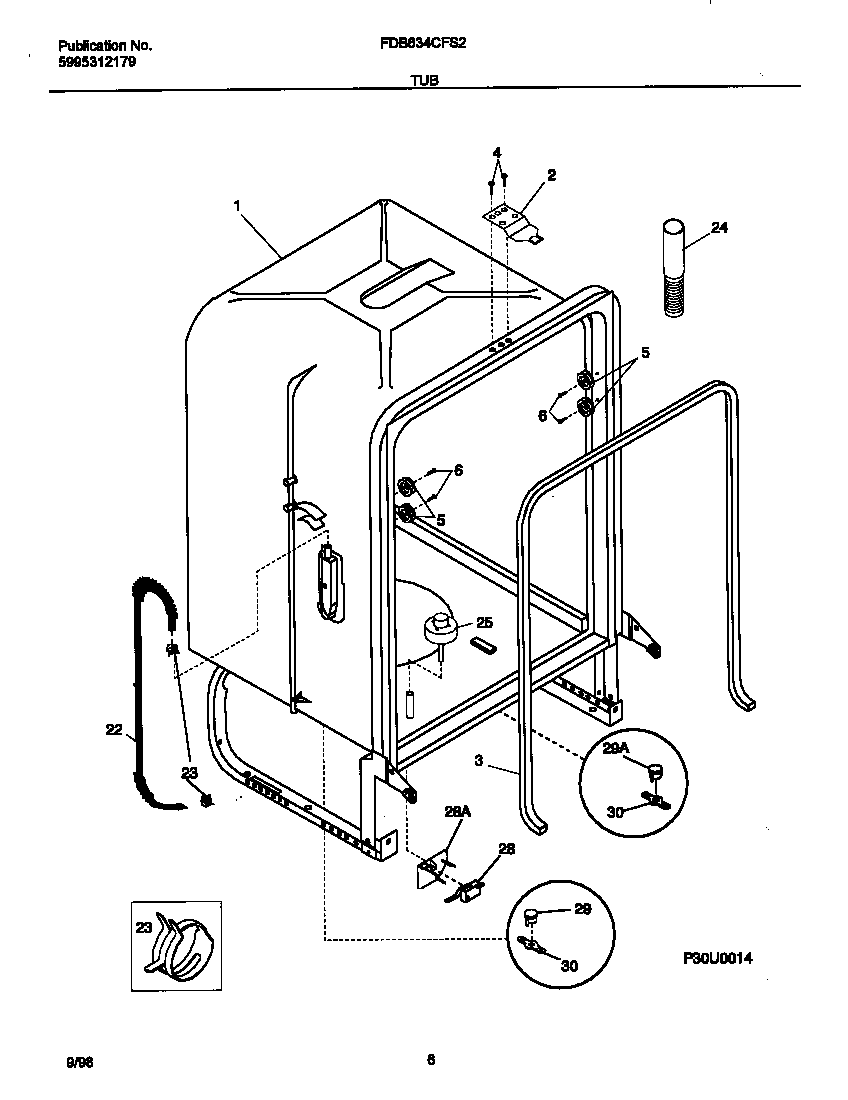
| 1 | WCI 154209301 |
| 2 | 154662601 Frigidaire Door Strike Latch |
| 3 | 154827601 Frigidaire Dishwasher Tub Gasket |
| 4 | 808690701 Frigidaire Dishwasher Screw |
| 5 | 5304507405 Frigidaire Dishwasher Gray Tub Dishrack Roller |
| 6 | 5303943103 Frigidaire Dishwasher P-1 Screw Kit (8 Each Wash/Screw) |
| 22 | 5304523457 Frigidaire Inlet Hose |
| 23 | CLAMP, HOSE |
| 24 | 154225602 Frigidaire Dishwasher Drain Hose, 10' Long |
| 25 | 5304506520 Frigidaire Dishwasher Float Assembly |
| 28 | WCI 154225501 |
| 28 | FLOAT SWITCH ASSY |
| 29 | WCI 154227806 |
| 29 | 154290204 Frigidaire Dishwasher Thermostat |
| 30 | 154241101 Frigidaire Dishwasher Retainer |