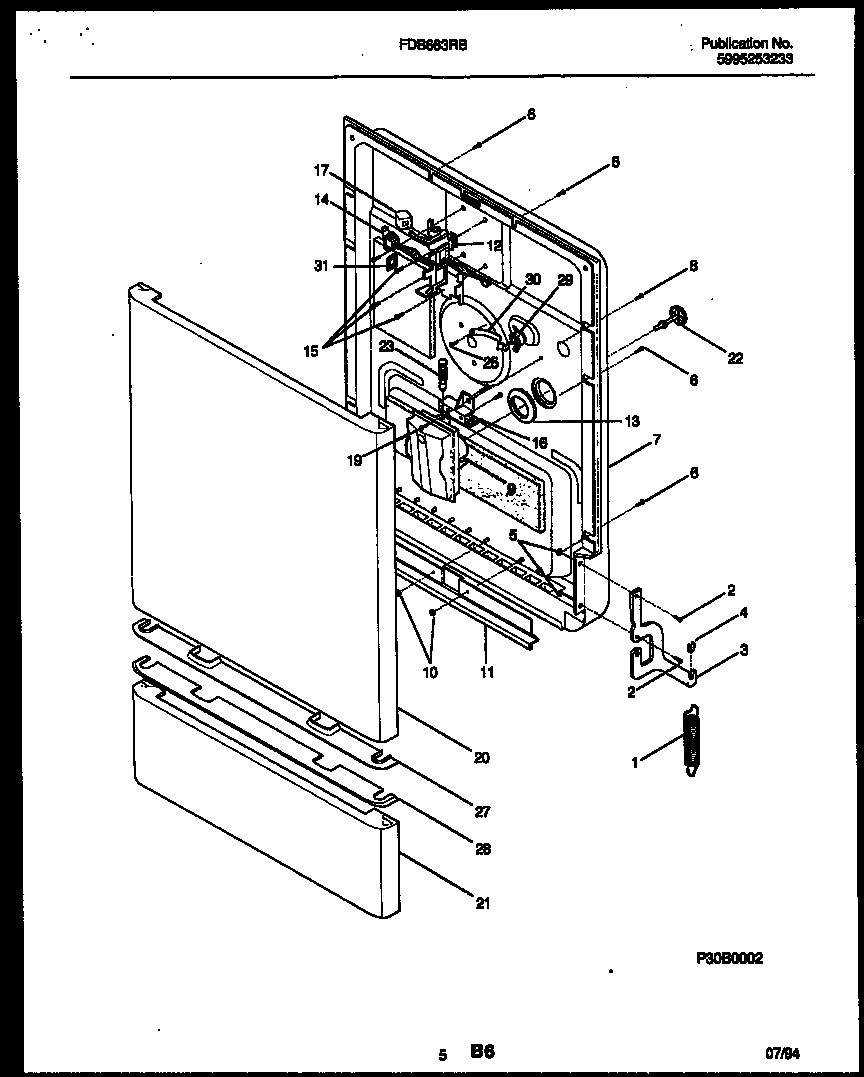
FDB663RBB0 04 – DOOR PARTSadmin2025-04-26T08:57:39+00:00FDB663RBB0 04 – DOOR PARTS ProductsPositionProduct15300809703 Frigidaire Dishwasher Door Spring2154093301 Frigidaire Dishwasher ARM Assembly Screw3WCI 53032700314WCI 530080588455303013272 Frigidaire Oven Nut7WCI 1541969028SCREW-8 X 5/8`` (2)9WCI 530080675310WCI 15402660111WCI 530080977312WCI 15413250213WCI 530080563114WCI 15410530115218781101 Frigidaire Handle Screw16WCI 530080978217WCI 530080871219WCI 530080750120DOOR-PANEL-BLACK21ACCESS PANEL-BLACK22WCI 530394309423WCI 530080989825154419403 Frigidaire Dishwasher Screw27WCI 15418940328TRIM-ACCESS TOP-BLACK28ACLIP-ATTACH (4) (NON-ILLUSTRATED)29WCI 530329740230THERMOSTAT RETAINER31WCI 154142901