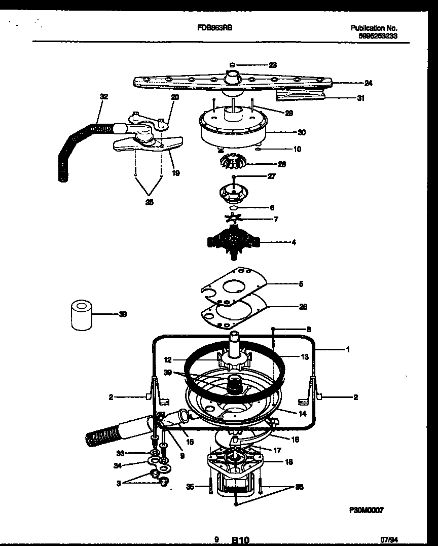
FDB663RBD0 06 – MOTOR PUMP PARTSadmin2025-04-26T08:57:53+00:00FDB663RBD0 06 – MOTOR PUMP PARTS ProductsPositionProduct1WCI 53008095842HEATER BRACKET2ASCREW-BRACKET (2)3154106202 Frigidaire Dishwasher Heater Nut4WCI 53008099215WCI 530080900665300806521 Frigidaire Dishwasher Filter O-Ring75300809920 Frigidaire Dishwasher Blade Assembly8WCI 53008072689CLAMP10WCI 530080901511WCI 530080901612WCI 5300809909135300809586 Frigidaire Dishwasher Gasket14PUMP HOUSING15WCI 530080993716WCI 530080959017WCI 530080936618WCI 530080998419WCI 15411940120WCI 15412640123SPRAY ARM NUT24LOWER SPRAY ARM ASSY25SCREW-10 X 2 7/8``26WCI 530080900727WCI 5300806353285300809918 Frigidaire Dishwasher Upper Impeller29WCI 530080735930FILTER HOUSING ASSY31WCI 530080993832WCI 15411930133WASHER34WCI 15406490135WCI 530080902237WCI 530080390339WCI 5300803923