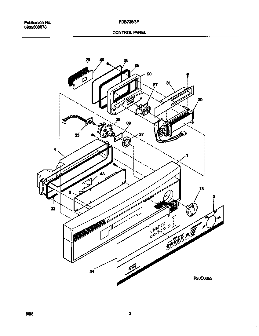
FDB736GFR4 02 – CONTROL PANELadmin2025-04-26T08:56:52+00:00FDB736GFR4 02 – CONTROL PANEL ProductsPositionProduct*21722WCI 154234702*21720154103702 Frigidaire Dishwasher Screw*21721WCI 154200401*21723WCI 1542839011PANEL-CONTROL2WCI 1542368033WCI 1542277024WCI 1543013014WCI 15428780113WCI 15423950620WCI 15422830125WCI 15430390126WCI 15422920127WCI 15422670128WCI 15422690129WCI 15422640130WCI 15422680231WCI 15422810133WCI 15429240134WCI 15422760135WCI 154228001375304532229 Frigidaire Dishwasher Lower Rack Wheel & Bushing Assembly38WCI 15429490139WCI 154295001