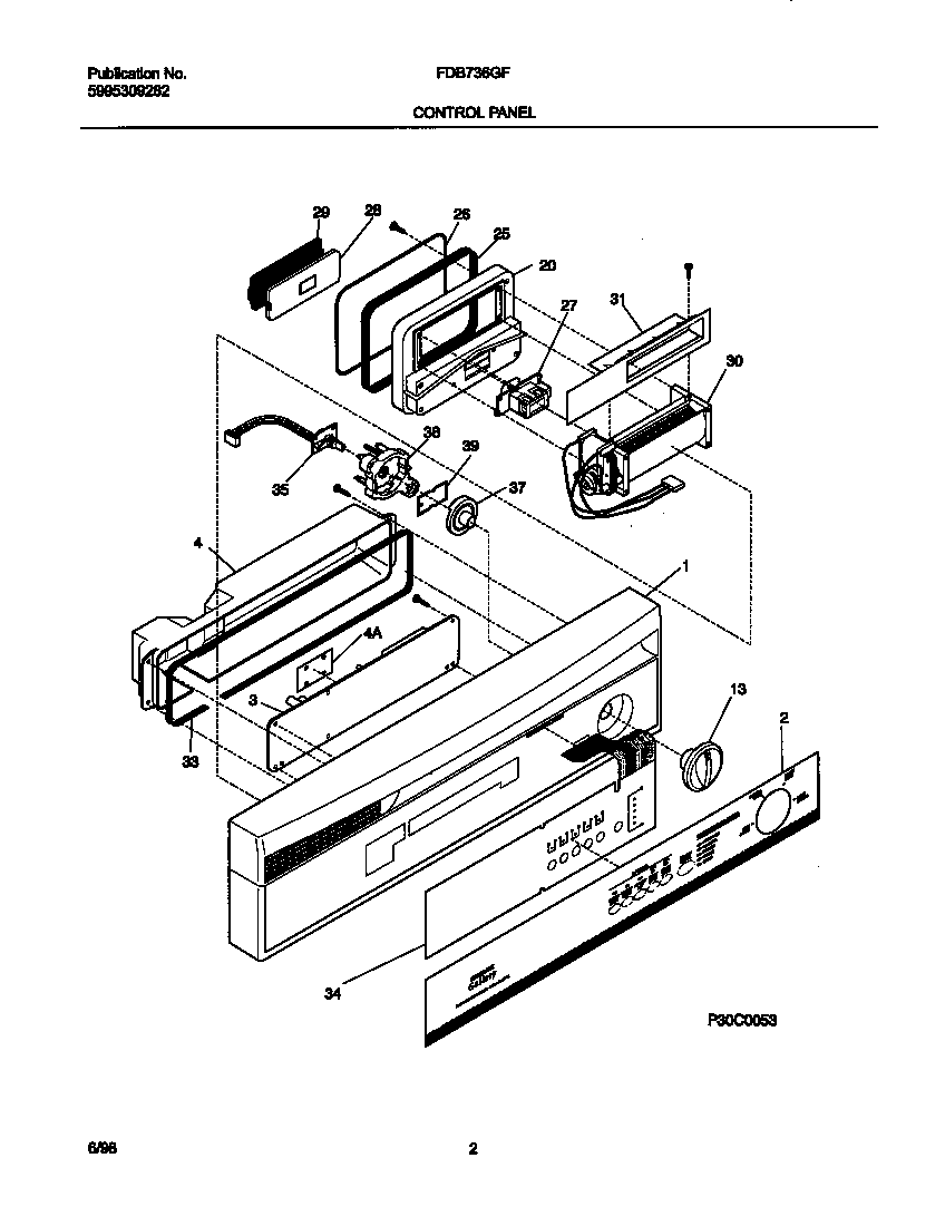
FDB736GFS5 02 – CONTROL PANELadmin2025-04-26T08:57:07+00:00FDB736GFS5 02 – CONTROL PANEL ProductsPositionProduct*28001WCI 154200401*28000154103702 Frigidaire Dishwasher Screw*28002WCI 154234702*28003WCI 1542839011WCI 1542228012WCI 1542368013WCI 1542277024WCI 1543013014WCI 15428780113WCI 15423950420WCI 15422830125WCI 15430390126WCI 15422920127WCI 15422670128WCI 15422690129WCI 15422640130WCI 15422680231WCI 15422810133WCI 15429240134WCI 15422760135WCI 154228001375304532229 Frigidaire Dishwasher Lower Rack Wheel & Bushing Assembly38WCI 15429490139WCI 154295001