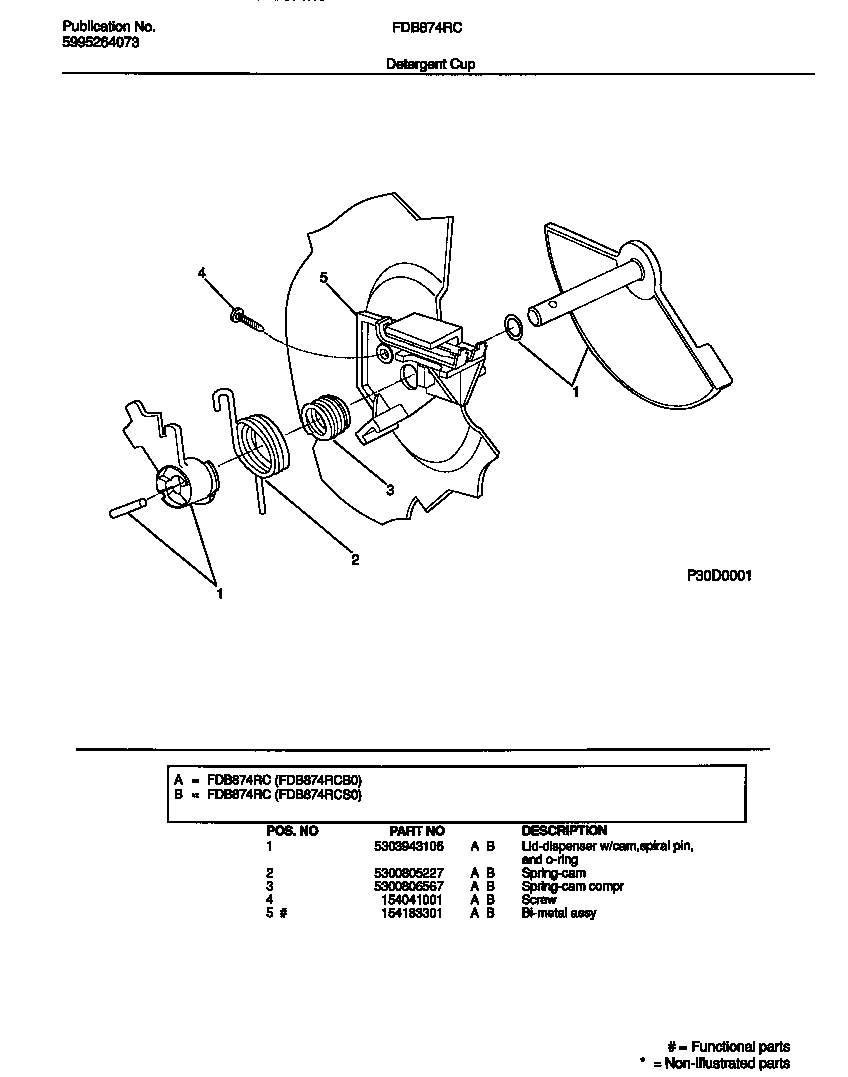
FDB874RCB0 03 – DETERGENT CUPadmin2025-04-26T08:59:13+00:00FDB874RCB0 03 – DETERGENT CUP ProductsPositionProduct1WCI 53039431062WCI 530080522735300806567 Frigidaire Dishwasher Spring4808690701 Frigidaire Dishwasher Screw5B-METAL ASSY