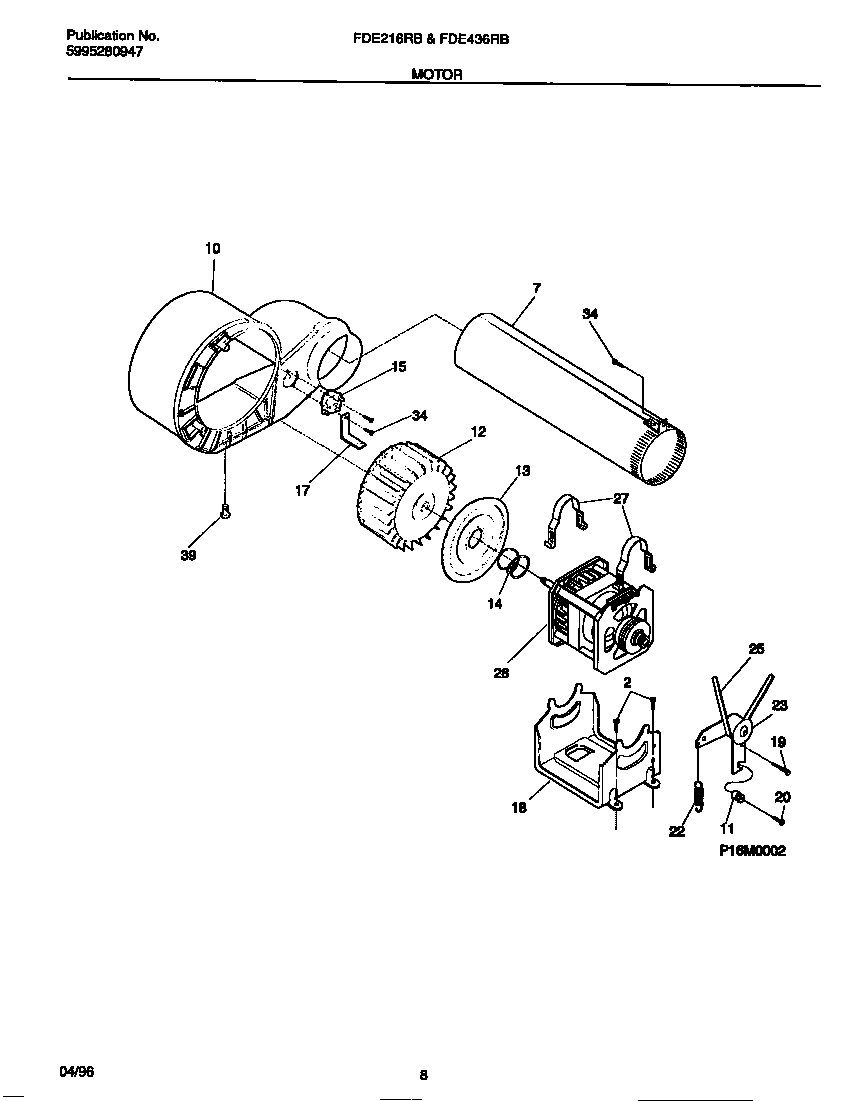
| 2 | 131168200 Frigidaire Dryer Screw |
| 7 | WCI 5303269973 |
| 10 | WCI 5303270858 |
| 11 | WCI 5303281076 |
| 12 | WCI 5303281079 |
| 13 | WCI 5303307784 |
| 14 | WCI 5303281083 |
| 15 | 131298300 Frigidaire Thermostat Control |
| 17 | WCI 5303269972 |
| 18 | WCI 131367101 |
| 19 | 131205300 Frigidaire Screw |
| 20 | 131017900 Frigidaire Screw |
| 22 | 5303281085 Frigidaire Spring Idler |
| 23 | 131863007 Frigidaire Washer Idler Pulley Assembly |
| 25 | 134503600 Frigidaire Dryer Belt |
| 27 | WCI 5303212834 |
| 28 | WCI 131572300 |
| 34 | 131243700 Frigidaire Screw |
| 39 | 131205100 Frigidaire Screw |