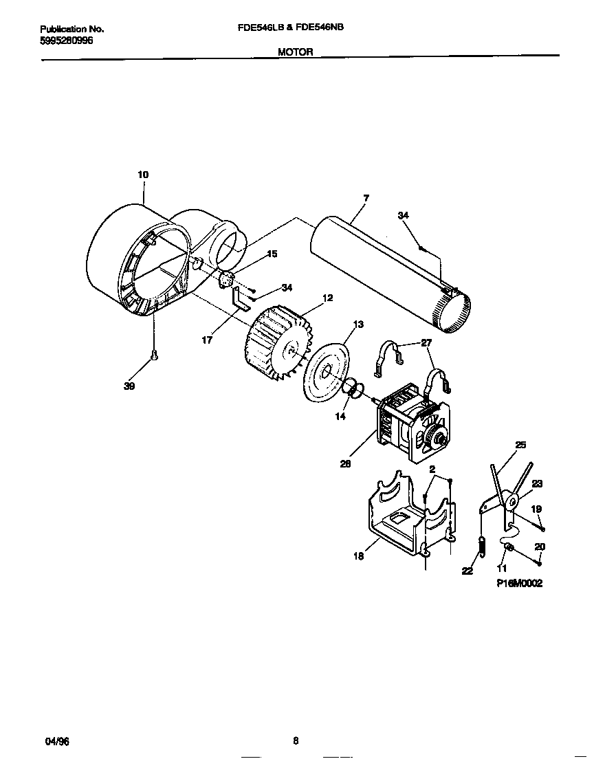
FDE546LBS2 05 – MOTOR