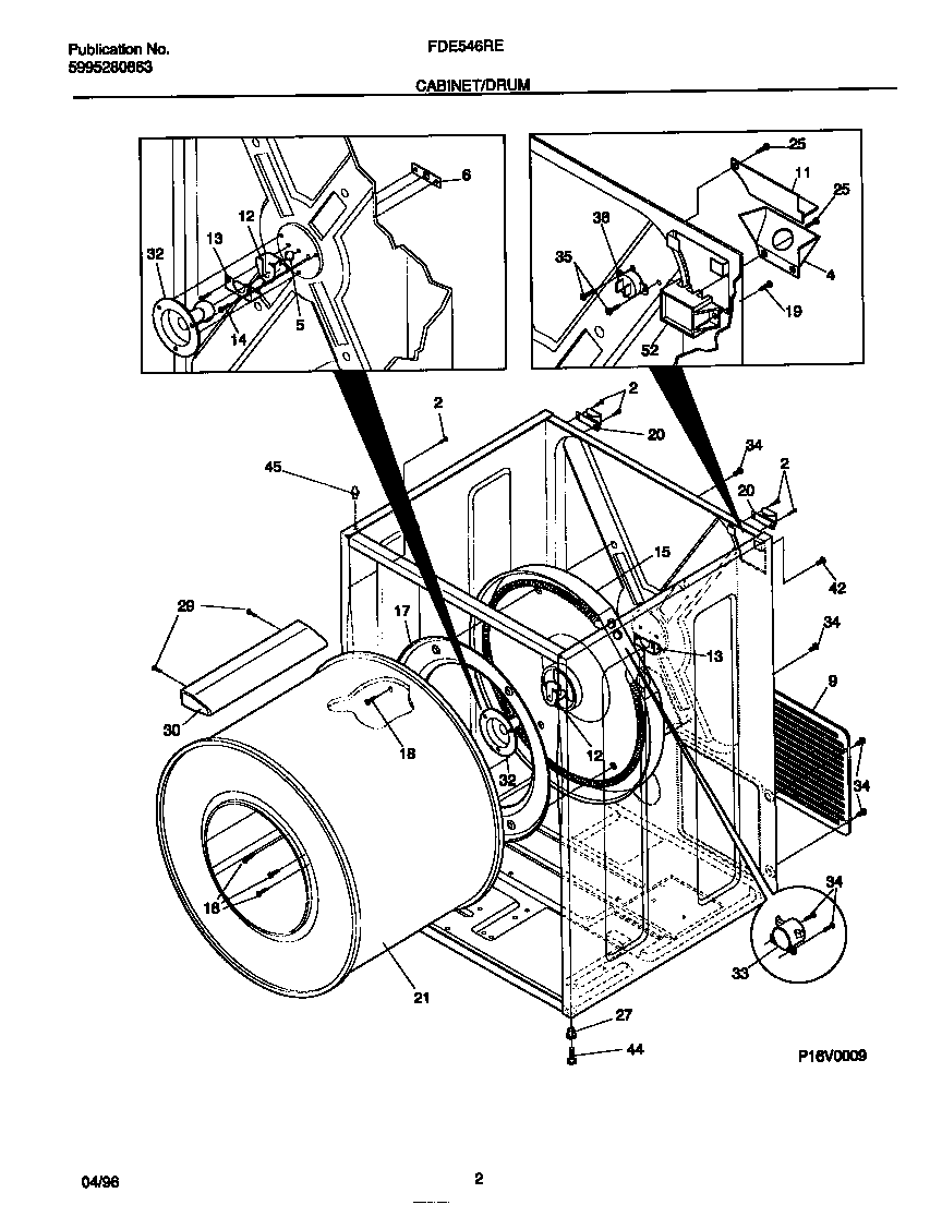
FDE546RET0 02 – CABINET/DRUMadmin2025-04-26T09:02:17+00:00FDE546RET0 02 – CABINET/DRUM ProductsPositionProduct*96601WCI 5303281153]*96600HEATER HSG ASSY 5/16" (DW1)4WCI 328104055303281019 Frigidaire Ball Assembly65303281020 Frigidaire Ball Clip9PLATE-COVER11WCI 530321142812131825900 Frigidaire Dryer Rear Drum Bearing Support Cup White13131724301 Frigidaire Dryer Drum Bearing Bracket14131205400 Frigidaire Screw173204254 Frigidaire Baffle Assembly18131168200 Frigidaire Dryer Screw19131205300 Frigidaire Screw20WCI 13146910021134138400 Frigidaire Drum Kit Assembly O/S3 Xxx255303015671 Frigidaire Bracket Termination Screw29131382300 Frigidaire Screw-VANE30137552900 Frigidaire Vane32131777700 Frigidaire Dryer Bearing Drum33WCI 530328111334131243700 Frigidaire Screw35WCI 0801080436134120900 Frigidaire Dryer Limiter Thermal44LEG-LEVELING52134101400 Frigidaire Dryer Kit Terminal Block64WCI 131353500