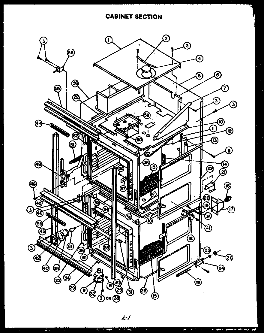
FDO280 01 – CABINET SECTIONadmin2025-04-26T09:30:42+00:00FDO280 01 – CABINET SECTION ProductsPositionProductNIMAY 52242NIMAY Y64106NIMAY 63477NIMAY 67053NIMAY 79498NIMAY 0040398NIMAY Y0042740NIMAY 52241NIMAY 0054773NIMAY 0052818NIMAY 52094NIMAY 0040405NIMAY Y0041832NIMAY Y00409251MAY 528062MAY 00409113MAY 418373MAY Y418084MAY 00405425MAY 608426MAY Y528157MAY Y528028MAY 517519MAY 005922310MAY 004632510MAY 5280111MAY 5407912MAY Y004058113MAY Y004240614MAY Y004111315MAY Y004197616MAY 7302817MAY 6077818MAY Y6025719MAY 5325320MAY 9204221MAY 004102122MAY 6077423MAY 5974324MAY Y4099025MAY 5296426MAY Y004185328MAY Y004075229MAY Y004101930MAY Y030006031MAY Y6335132MAY Y6333733MAY 004177334MAY Y030005935MAY 59210CG36MAY 40150CG38MAY Y40850CG39MAY 005227640MAY Y004198741MAY Y009788742MAY 004099543MAY 030006144MAY Y004201845MAY Y030005846MAY 004102048MAY Y004181649MAY Y005209552MAY Y004074153MAY Y004084854MAY 004181555MAY Y030005656MAY 5269757SHIELD,HEAT DUCT58MAY Y004090359SEE NOTE GROUND WIRE, GREEN60MAY 004079261MAY Y004217562MAY 7602963MAY 59207CG65MAY Y6342066MAY Y0042015