FEB374CHTA 03 – BODY

FEB374CHTA 03 – BODY

Products

PositionProduct
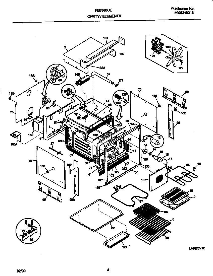
*522885303300265 Frigidaire Oven Screw
*52298WCI 5303302745
*522865303211311 Frigidaire Refrigerator Screw
*522895304464772 Frigidaire Refrigerator Wire Tie
*52296WCI 318078511
*522935303324184 Frigidaire Wall Oven Range Screw
*52297BUTTON PLUG
*522905304480396 Frigidaire Screw
*52287CLIP-WIRE
*522915303323139 Frigidaire Oven Screw
*522945303323137 Frigidaire Oven Screw
*52295PLUG, DOOR LINER
*522925303323277 Frigidaire Oven Screw
*52285WCI 318120702
1WCI 5303310527
2WCI 318102100
2WCI 318071700
6318025314 Frigidaire Oven Rack
9WCI 5303317977
10WCI 5303317976
12318394803 Frigidaire Oven Switch
14316116400 Frigidaire Oven Light Socket
15316538904 Frigidaire Oven Lamp Light
165304524341 Frigidaire Lens
17WCI 5304400195
37316217002 Frigidaire Oven Temperature Probe
41WCI 5303310526
54WCI 5303310514
56WCI 318083502
58INSULATION WRAPPER
58WCI 5303310538
59WCI 318072504
625304409888 Frigidaire Oven Terminal Block with Hardware
66318255605 Frigidaire Oven Broil Element Range
67BAKE ELEMENT
685304403015 Frigidaire Oven Support
70WCI 5303300142
71WCI 318071200
76WCI 318056202
80WCI 5303301261
82WCI 318072300
83LINER-OVEN,COMP.
86WCI 5303310524
88WCI 5303311222
89WCI 5304404899
98WCI 318029203
98WCI 318029201
99WCI 318055420
102WCI 318090900
103WCI 318028502
108WCI 318073001
119318004900 Frigidaire Thermal Switch
124WCI 318076903
127318317100 Frigidaire Adapter Assembly
128WCI 5303311163
1295303311164 Frigidaire Oven Spring
130WCI 318070802
131WCI 318102301
132WCI 318101800
132WCI 318101801
150WCI 318072205
150WCI 318072204
177WCI 318053800
185318531800 Frigidaire Oven Spacer
188318531702 Frigidaire Oven Spacer