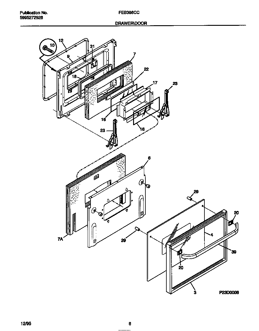
FEB386CCB1 04 – DRAWER/DOORadmin2025-04-26T08:53:39+00:00FEB386CCB1 04 – DRAWER/DOOR ProductsPositionProduct*130545303308456 Frigidaire Oven Screw*13050Plug,button*13051SCREW,TRUSS HEAD,8-18 X 0.375*13049WCI 5303300414*13053216858001 Frigidaire Refrigerator Screw*130525303307980 Frigidaire Oven Screw3WCI 3180267004WCI 3180413006WCI 3180568017WCI 53033105327WCI 53033112339LINER-OVEN DOOR10WCI 530331121712318053103 Frigidaire Oven Door Seal Gasket16GLASS-OVEN DOOR, HEAT BARRIER17WCI 530331053418SEAL-ROPE20WCI 530330017522WCI 530331051123B5300809968 Frigidaire Dishwasher P-1 Washer23AWCI 530331082829SPACER-HANDLE MTG, (2)31WCI 31806510039WCI 318040406