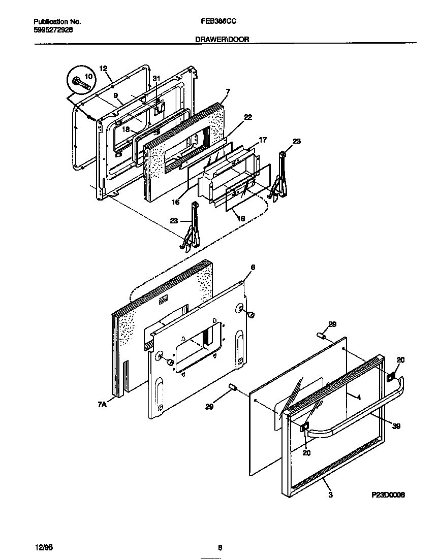
FEB386CCBA 04 – DRAWER/DOOR