| *25970 | 5303307980 Frigidaire Oven Screw |
| *25973 | 5303300265 Frigidaire Oven Screw |
| *25968 | Plug,button |
| *25972 | SCREW,TRUSS HEAD,8-18 X 0.375 |
| *25969 | WCI 5303300414 |
| *25971 | 5303308456 Frigidaire Oven Screw |
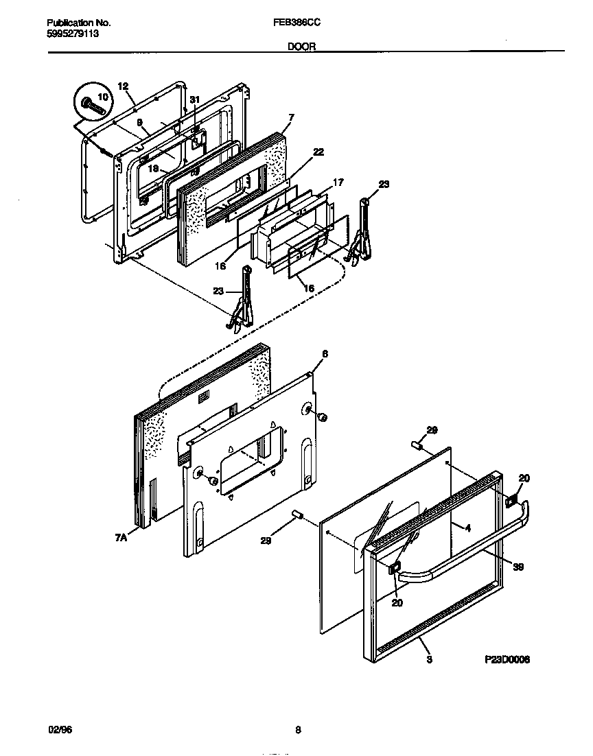
| 3 | WCI 318026120 |
| 4 | WCI 318041301 |
| 6 | WCI 318056801 |
| 7 | WCI 5303310532 |
| 7 | WCI 5303311233 |
| 9 | WCI 318048602 |
| 10 | WCI 5303311217 |
| 12 | 318053103 Frigidaire Oven Door Seal Gasket |
| 16 | GLASS-OVEN DOOR, HEAT BARRIER |
| 17 | WCI 5303310534 |
| 18 | SEAL-ROPE |
| 20 | WCI 5303300173 |
| 22 | WCI 5303310511 |
| 23A | WCI 5303311259 |
| 23B | 5300809968 Frigidaire Dishwasher P-1 Washer |
| 29 | SPACER-HANDLE MTG, (2) |
| 31 | WCI 318065100 |
| 39 | WCI 318040403 |