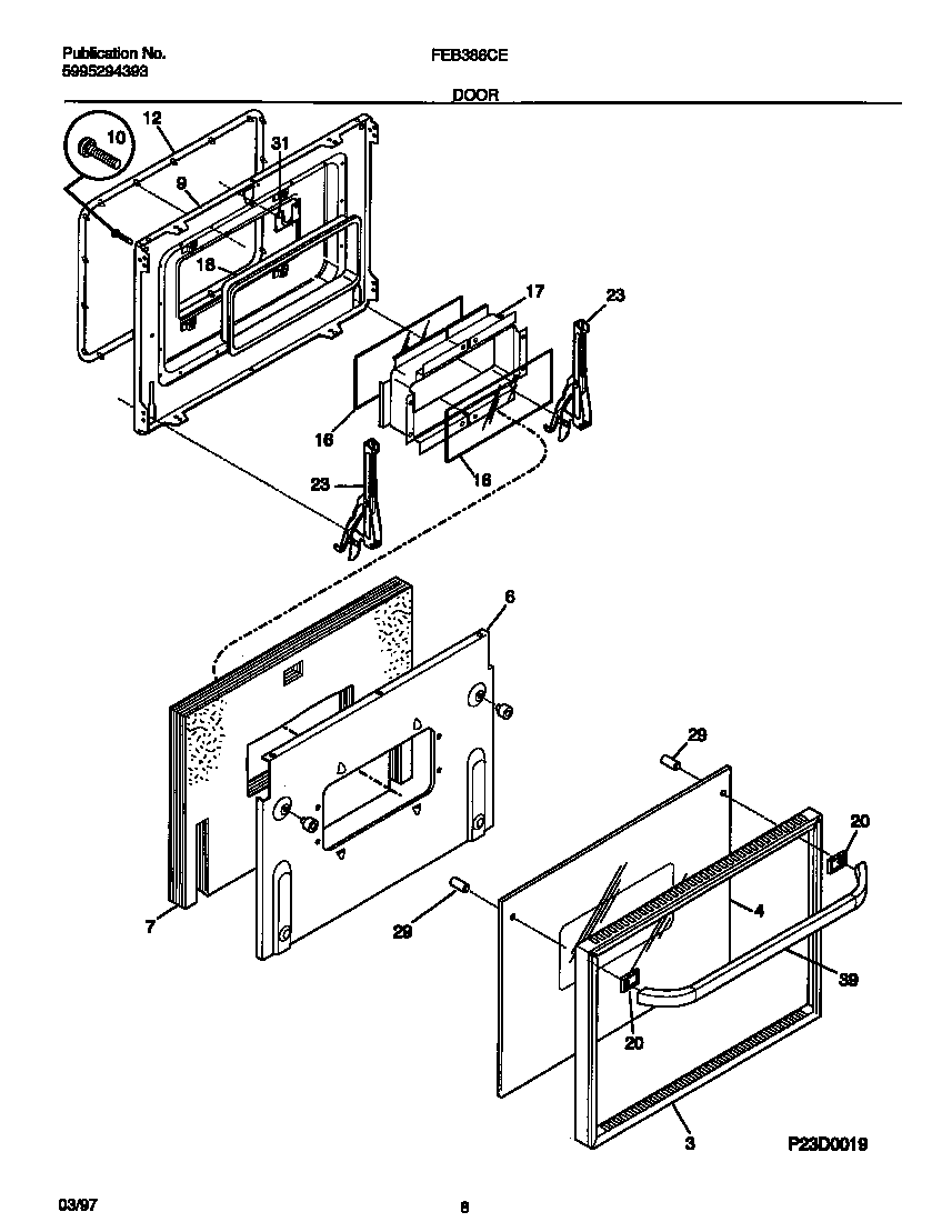
| *41256 | 5303300265 Frigidaire Oven Screw |
| *41257 | WCI 5303300414 |
| *41258 | 5303308456 Frigidaire Oven Screw |
| 3 | WCI 318026710 |
| 4 | GLASS-OVEN DOOR,BLACK ,OUTER |
| 6 | WCI 318056811 |
| 7 | WCI 318106001 |
| 9 | WCI 318048606 |
| 10 | WCI 5303311217 |
| 12 | 318053103 Frigidaire Oven Door Seal Gasket |
| 16 | GLASS-OVEN DOOR,INNER ,(2) |
| 17 | WCI 318042102 |
| 18 | WCI 318053001 |
| 20 | WCI 318014300 |
| 23 | WCI 5303310506 |
| 29 | SPACER-HANDLE MTG, (2) |
| 31 | WCI 318065100 |
| 39 | HANDLE-DOOR,BLACK ,OVEN |