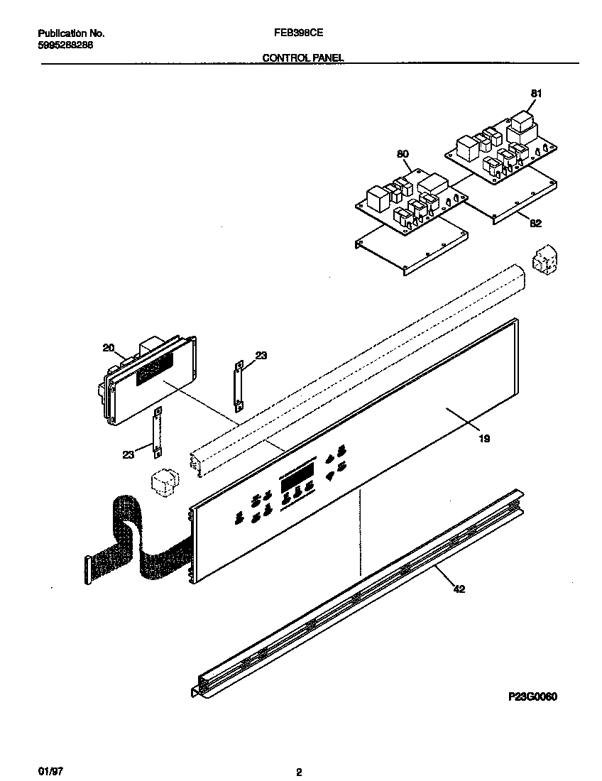
FEB398CESB 02 – CONTROL PANELadmin2025-04-26T08:53:20+00:00FEB398CESB 02 – CONTROL PANEL ProductsPositionProduct*85482WCI 5303311528*854815303211311 Frigidaire Refrigerator Screw*85480WCI 530331719919WCI 31803011220AWCI 31801050120B5303323130 Frigidaire Oven Screw23B5303300265 Frigidaire Oven Screw23AWCI 31801511042WCI 31802740580318022001 Frigidaire Oven Primary Relay Board81318022002 Frigidaire Oven Relay Primary Board