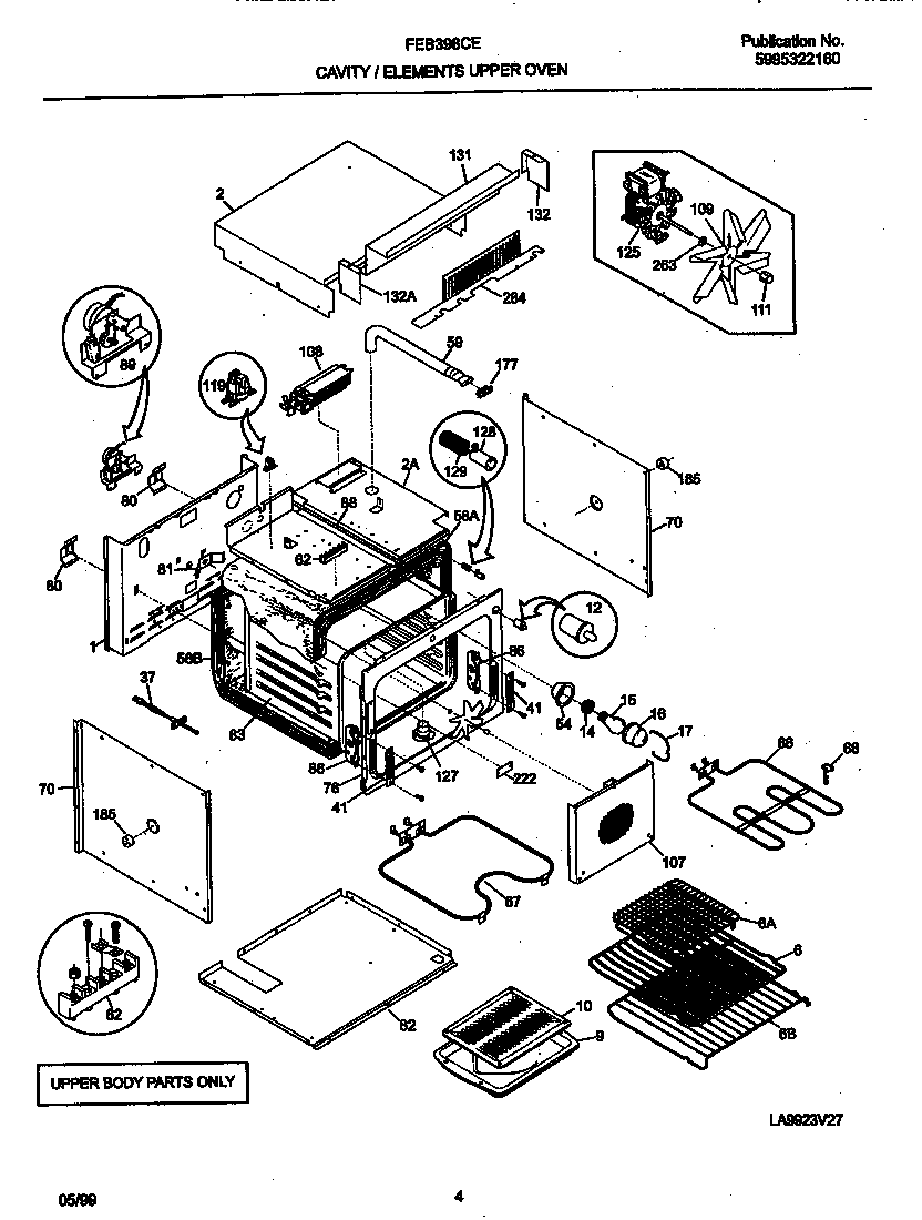
FEB398CESC 03 – UPPER BODY

FEB398CESC 03 – UPPER BODY

Products

PositionProduct
*19508WCI 5304407813
*195035303211311 Frigidaire Refrigerator Screw
*19504WASHER-OVEN VENT
*19502WCI 318078507
*19505TAPE-INNER DOOR 45``
*195125303304015 Frigidaire Oven Washer
*19498WCI 318120702
*19500WCI 318106002
*19499WCI 318120701
*19501WCI 318132500
*195115303288565 Frigidaire Screw
*19513316205500 Frigidaire Oven Nut
*195065303323139 Frigidaire Oven Screw
*1951008002868 Frigidaire 0 Screw Assembly
*19509WCI 5303311528
*195075303300265 Frigidaire Oven Screw
1WCI 318066400
2WCI 318102101
2WCI 318071705
6318025314 Frigidaire Oven Rack
6Shelf,broiler pan
9WCI 5303317977
10WCI 5303317976
12318394803 Frigidaire Oven Switch
14316116400 Frigidaire Oven Light Socket
15316538904 Frigidaire Oven Lamp Light
165304524341 Frigidaire Lens
17WCI 5304400195
37316217002 Frigidaire Oven Temperature Probe
41WCI 5303310526
54WCI 5303310514
58WCI 5303316994
58WCI 5303310538
58INSULATION WRAPPER
59WCI 318072506
625304409888 Frigidaire Oven Terminal Block with Hardware
66318255605 Frigidaire Oven Broil Element Range
67BAKE ELEMENT
685304403015 Frigidaire Oven Support
70WCI 5303300142
76WCI 318056202
80WCI 5303301261
81WCI 5303320846
82WCI 318072301
83Liner,oven
86WCI 5303310524
88WCI 5303311222
89WCI 5304409801
102WCI 318090900
107WCI 318119600
108WCI 318073001
109FAN BLADE
111316136600 Frigidaire Oven Range Lock Nut
119318004900 Frigidaire Thermal Switch
1255303311202 Frigidaire P1-Motor-Conv
127318317100 Frigidaire Adapter Assembly
128WCI 5303311163
1295303311164 Frigidaire Oven Spring
131WCI 318102301
132AWCI 318101800
132BWCI 318101801
177WCI 318053800
185318531800 Frigidaire Oven Spacer
222PLATE, OVEN TEMP PROBE (NOT ILLUSTRATED)
263316008401 Frigidaire Washer P-1