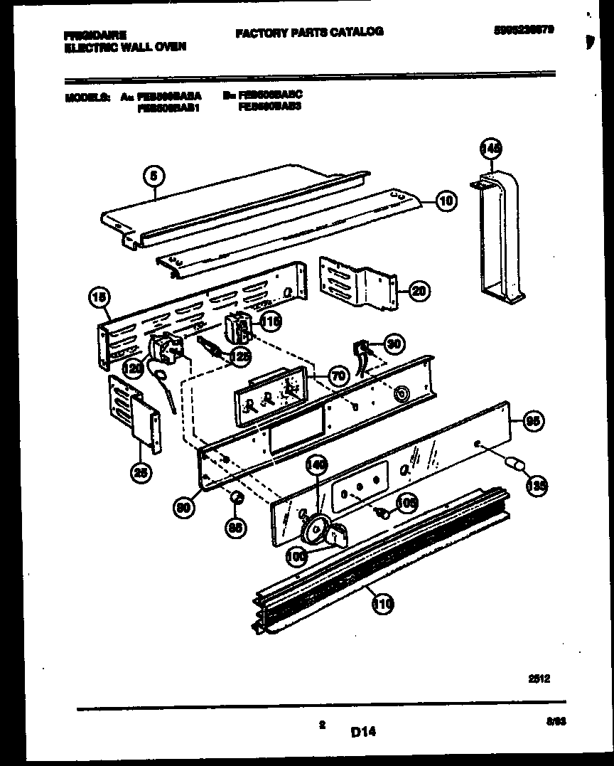
FEB500BAB1 02 – CONTROL PANELadmin2025-04-26T08:53:31+00:00FEB500BAB1 02 – CONTROL PANEL ProductsPositionProduct*83189SWITCH-THERMAL*831895304409888 Frigidaire Oven Terminal Block with Hardware*83189WCI 32020885WCI 530329895510WCI 530329946815WCI 530329894920WCI 530329894725WCI 530329894830AWCI 530330041130WCI 530329946970CLOCK/TIMER80WCI 530329946485WCI 320209395WCI 5303299470100KNOB-THERMOSTAT105WCI 316029000110WCI 5303298950115SWITCH-SELECTOR120WCI 5303299472125LIGHT-INDICATOR135WCI 5303299474140DIAL-THERMOSTAT145WCI 5303299476145AWCI 5303299477