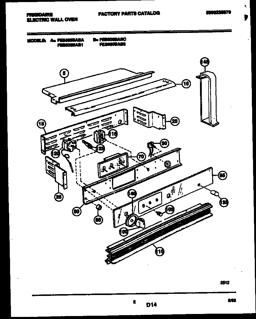
FEB500BAB3 02 – CONTROL PANELadmin2025-04-26T08:53:27+00:00FEB500BAB3 02 – CONTROL PANEL ProductsPositionProduct*831895304409888 Frigidaire Oven Terminal Block with Hardware*83189WCI 3202088*83189SWITCH-THERMAL5WCI 530329895510WCI 530330040815WCI 530330040920WCI 530329894725WCI 530329894830SWITCH-OVEN LIGHT30AWCI 530330041170CLOCK/TIMER80WCI 530329946485WCI 320209395WCI 5303299470100KNOB-THERMOSTAT105WCI 316029000110WCI 5303298950115SWITCH-SELECTOR120THERMOSTAT-OVEN125LIGHT-INDICATOR135WCI 5303299474140DIAL-THERMOSTAT145AWCI 5303299477145WCI 5303299476