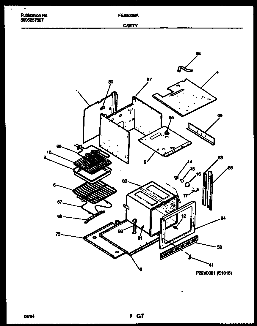
FEB500BAB4 04 – BODY PARTSadmin2025-04-26T08:53:34+00:00FEB500BAB4 04 – BODY PARTS ProductsPositionProduct*10859INSULATION, OVEN WRAPPER*10859COVER-CAPILLARY*10859INSULATION, OVEN BACK*10859WCI 5303304704*108595303284616 Frigidaire Range Bulb Clip Thermostat1SHIELD-WIRE2SHIELD, OVEN BOTTOM4SHIELD-OVEN TOP6318345216 Frigidaire Oven Rack9WCI 530329215910WCI 530329687212WCI 530131421114SOCKET-LIGHT/LAMP, OVEN15316538904 Frigidaire Oven Lamp Light165304524341 Frigidaire Lens17WIRE, GLASS RETAINER41WCI 301906353WCI 530329895456WCI 5303298951665303016247 Frigidaire Broil Element67318255101 Frigidaire Oven Bake Element68WCI 301624873WCI 530330503680WCI 530330126181WCI 320163283WCI 530330502286WCI 320163194WCI 530329686695TUBE-OVEN VENT96WCI 530330042297WCI 530330042398WCI 530329895398WCI 530329895299318284201 Frigidaire PANEL