FEB500CFB4 02 – CONTROL PANEL
Products
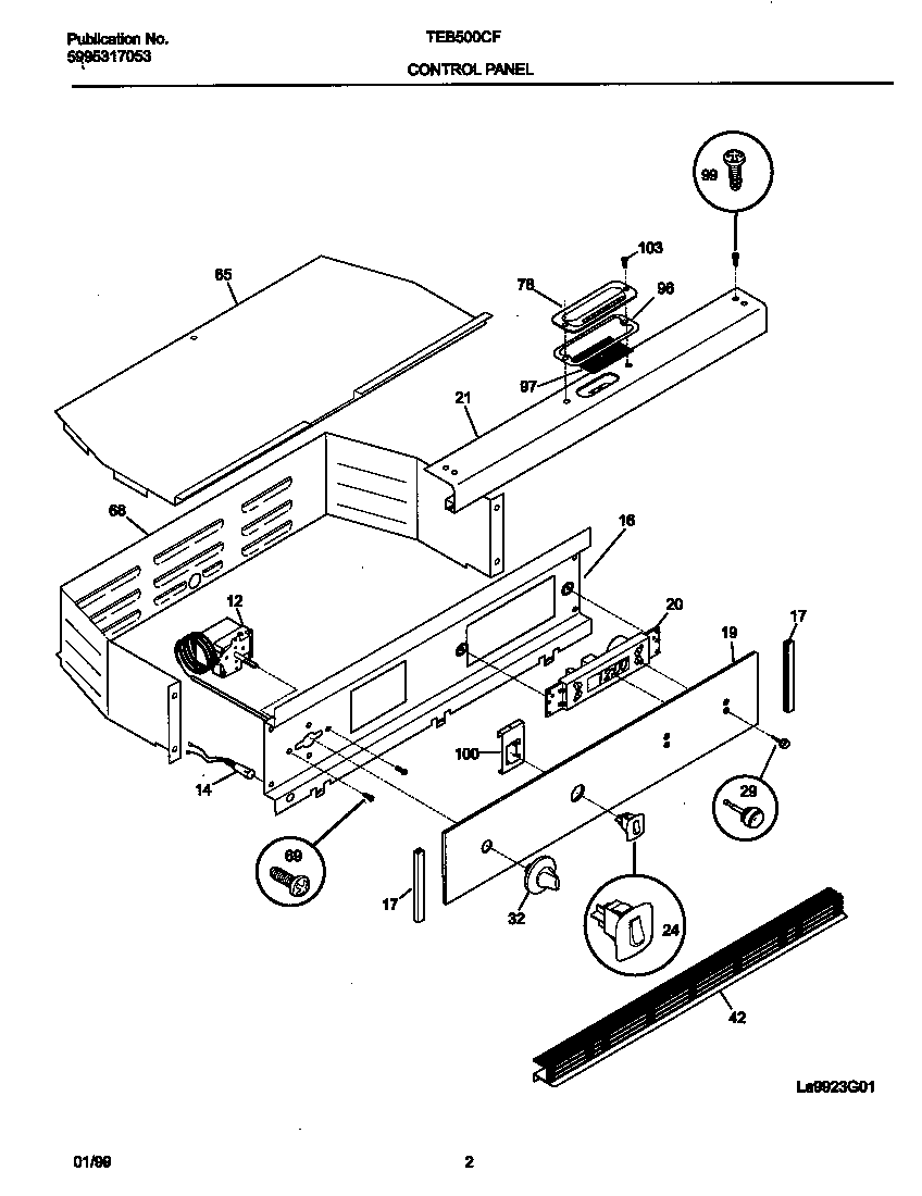
| Position | Product |
|---|---|
| *17800 | WCI 303316766 |
| *17801 | WCI 303302397 |
| *17802 | WCI 303323134 |
| 00000I | WCI 303211311 |
| 2 | WCI 303323709 |
| 4 | WCI 316090900 |
| 14 | WCI 5303320424 |
| 20 | WCI 318011400 |
| 32 | WCI 318016818 |
| 42 | WCI 318027301 |
| 78 | WCI 316037604 |
| 100 | WCI 318110700 |