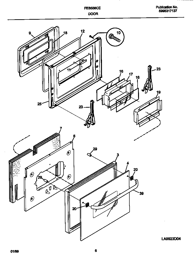
FEB556CETG 04 – DOORadmin2025-04-26T08:53:36+00:00FEB556CETG 04 – DOOR ProductsPositionProduct*82612Plug,button*826115303308456 Frigidaire Oven Screw3TRIM-OVEN DOOR ALMOND4WCI 53033027086WCI 3180736007WCI 53033084709WCI 31803860010WCI 530331121711WCI 530116783012WCI 320518916WCI 530332425017SPACER-GLASS UPPER18WCI 301626319COLLAR GLASS MTG20SPACER-HANDLE,ALMOND23WCI 530331050625WCI 31804830529SPACER-HANDLE MTG, (2)39WCI 316091105