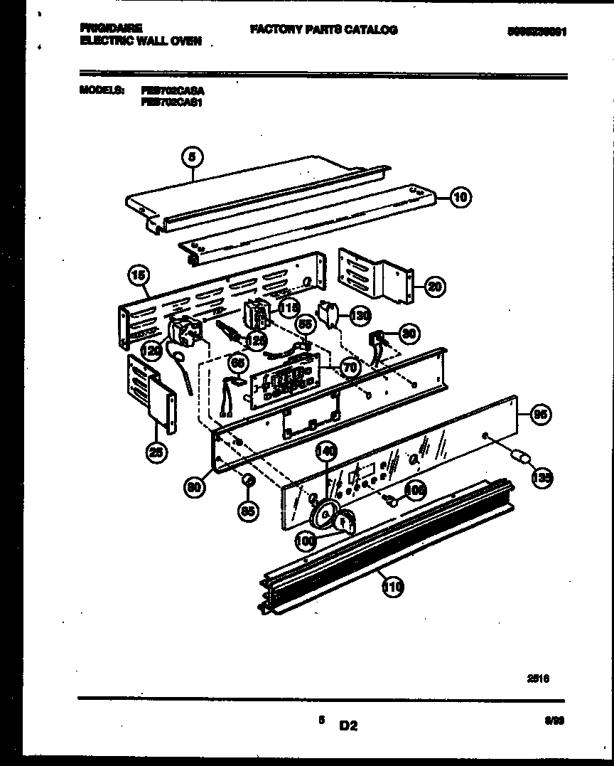
FEB702CAS1 04 – CONTROL PANELadmin2025-04-26T08:53:58+00:00FEB702CAS1 04 – CONTROL PANEL ProductsPositionProduct*830975304409888 Frigidaire Oven Terminal Block with Hardware5WCI 530329952810WCI 530329952915WCI 530329953120WCI 530329953225WCI 530329953330WCI 530329946955WCI 530329953565WCI 530329953670WCI 530329953780WCI 530329953885WCI 320209395WCI 5303299539100WCI 5303297391105WCI 5303299541110WCI 5303299544115SWITCH-SELECTOR120WCI 5303299472125LIGHT-INDICATOR130WCI 5303299546135WCI 5303299547140WCI 5303299548