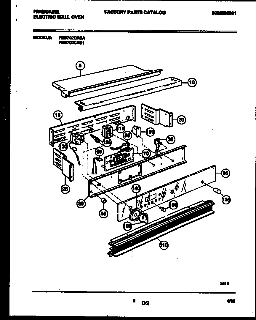
FEB702CASA 04 – CONTROL PANEL