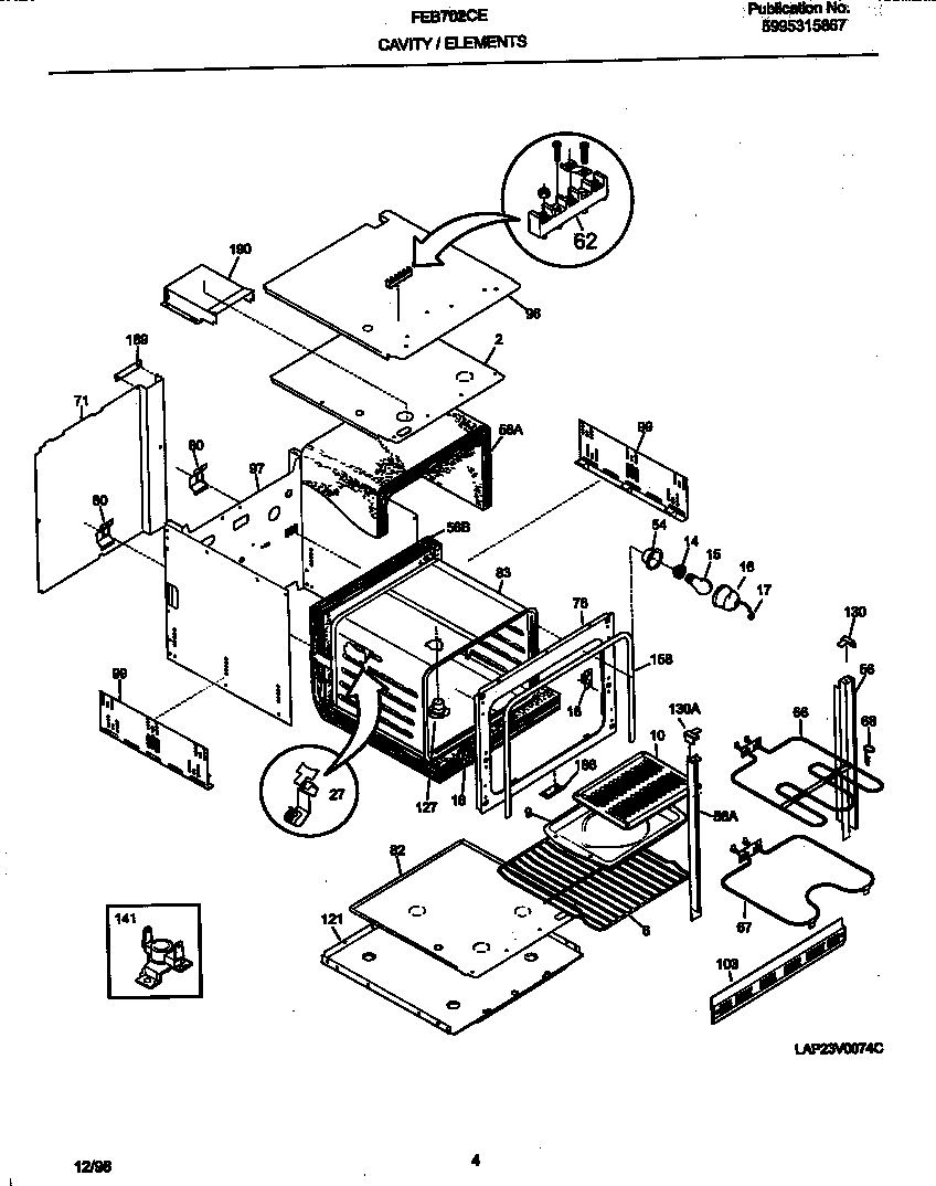
FEB702CEBF 03 – CAVITY/ELEMENTSadmin2025-04-26T08:53:45+00:00FEB702CEBF 03 – CAVITY/ELEMENTS ProductsPositionProduct*057235303300265 Frigidaire Oven Screw*057255303323277 Frigidaire Oven Screw*057245304453707 Frigidaire Oven Screw3WCI 53032997333WCI 53032997324GLASS-OVEN DOOR, BLACK, OUTER, BRACKETS INCL.6WCI 53033169547WCI 53033023889WCI 5303320491105303307980 Frigidaire Oven Screw11WCI 530332049316GLASS - BAFFLE (2)18AL-ROPE23WCI 530329971123WCI 530329971228WCI 31809022039HANDLE-DOOR, BLACK, OVEN41WCI 530329974441WCI 530329974651WCI 530329974151WCI 5303299740