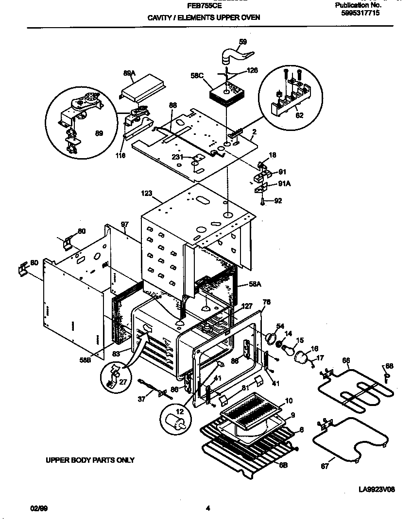
FEB755CEBG 03 – CAVITY/ELEMENTS UPPER OVENadmin2025-04-26T08:53:35+00:00FEB755CEBG 03 – CAVITY/ELEMENTS UPPER OVEN ProductsPositionProduct*861315304480396 Frigidaire Screw*861255304464772 Frigidaire Refrigerator Wire Tie*861235303211311 Frigidaire Refrigerator Screw*86127WCI 3018802*86130316205500 Frigidaire Oven Nut*86126WCI 5303323955*861295303323139 Frigidaire Oven Screw*861285304500008 Frigidaire Oven Screw*8612208002868 Frigidaire 0 Screw Assembly*861245303308456 Frigidaire Oven Screw2WCI 53044023806318345216 Frigidaire Oven Rack9WCI 530331797710WCI 530331797612318394803 Frigidaire Oven Switch14316116400 Frigidaire Oven Light Socket15316538904 Frigidaire Oven Lamp Light165304524341 Frigidaire Lens17WCI 530440019518LATCH-DOOR275303284616 Frigidaire Range Bulb Clip Thermostat37316217002 Frigidaire Oven Temperature Probe41WCI 530331052654WCI 530331051458WCI 530331771458INSULATION WRAPPER58INSULATION-WRAP59WCI 5303300951625304409888 Frigidaire Oven Terminal Block with Hardware665303016247 Frigidaire Broil Element67318255101 Frigidaire Oven Bake Element685304403015 Frigidaire Oven Support76WCI 31812420480WCI 530330126181WCI 530332371083WCI 31808951886WCI 530331052488WCI 301624189WCI 31809580089WCI 301629691WCI 301906991HOUSING-DOOR LATCH92AXLE - HINGE (2)97WCI 318066500118WCI 5303308461123WCI 318071430126Clip,insulator127318317100 Frigidaire Adapter Assembly231COVER-CAPILLARY