| *04724 | 5303211311 Frigidaire Refrigerator Screw |
| *04725 | 5303308456 Frigidaire Oven Screw |
| *04727 | WCI 5303302745 |
| *04723 | WCI 5303320422 |
| *04722 | 08002868 Frigidaire 0 Screw Assembly |
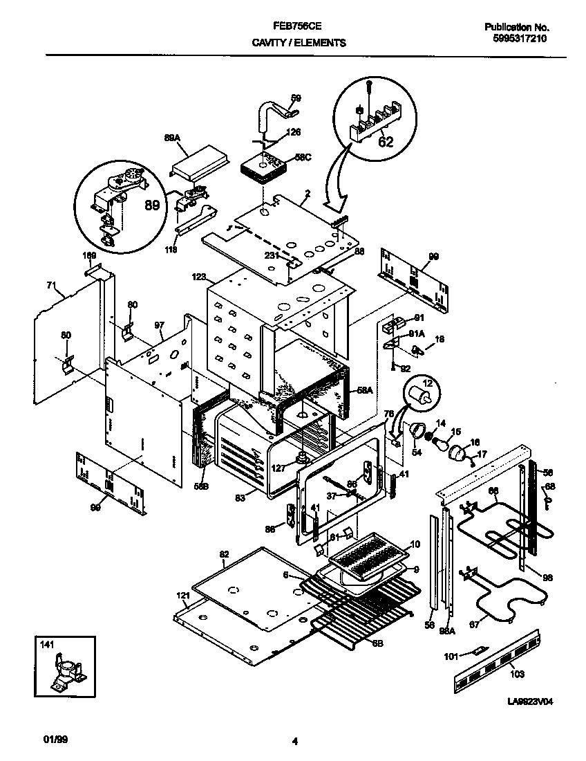
| 2 | WCI 5304402380 |
| 6 | 318345216 Frigidaire Oven Rack |
| 9 | WCI 5303317977 |
| 10 | WCI 5303317976 |
| 12 | 318394803 Frigidaire Oven Switch |
| 14 | 316116400 Frigidaire Oven Light Socket |
| 15 | 316538904 Frigidaire Oven Lamp Light |
| 16 | 5304524341 Frigidaire Lens |
| 17 | WCI 5304400195 |
| 18 | LATCH-DOOR |
| 37 | 316217002 Frigidaire Oven Temperature Probe |
| 41 | WCI 5303310526 |
| 54 | WCI 5303310514 |
| 56 | WCI 5303298951 |
| 58 | INSULATION WRAPPER |
| 58 | WCI 5303311220 |
| 58 | INSULATION-WRAP |
| 59 | WCI 318072507 |
| 62 | 5304409888 Frigidaire Oven Terminal Block with Hardware |
| 66 | 5303016247 Frigidaire Broil Element |
| 67 | 318255101 Frigidaire Oven Bake Element |
| 68 | 5304403015 Frigidaire Oven Support |
| 71 | WCI 5303304701 |
| 76 | WCI 318124204 |
| 80 | WCI 5303301261 |
| 81 | WCI 5303323710 |
| 82 | WCI 55303304699 |
| 83 | WCI 318089518 |
| 86 | WCI 5303310524 |
| 88 | WCI 3016241 |
| 89 | WCI 318095800 |
| 89 | WCI 3016296 |
| 91 | HOUSING-DOOR LATCH |
| 91 | WCI 3019069 |
| 92 | AXLE - HINGE (2) |
| 97 | WCI 318066701 |
| 98 | WCI 318029323 |
| 98 | WCI 318029322 |
| 99 | 318284201 Frigidaire PANEL |
| 101 | BRACKET-TRIM (NOT ILLUSTRATED) |
| 103 | WCI 318028700 |
| 118 | WCI 5303308461 |
| 121 | WCI 318145002 |
| 123 | WCI 318071430 |
| 126 | Clip,insulator |
| 127 | 318317100 Frigidaire Adapter Assembly |
| 141 | 5303302280 Frigidaire Safety Thermostat |
| 189 | RETAINER PLATE |
| 231 | COVER-CAPILLARY |