| *00143 | 5303308456 Frigidaire Oven Screw |
| *00141 | 5303307980 Frigidaire Oven Screw |
| *00142 | 216858001 Frigidaire Refrigerator Screw |
| *00140 | WCI 5303300414 |
| *00138 | Plug,button |
| *00139 | 5303300265 Frigidaire Oven Screw |
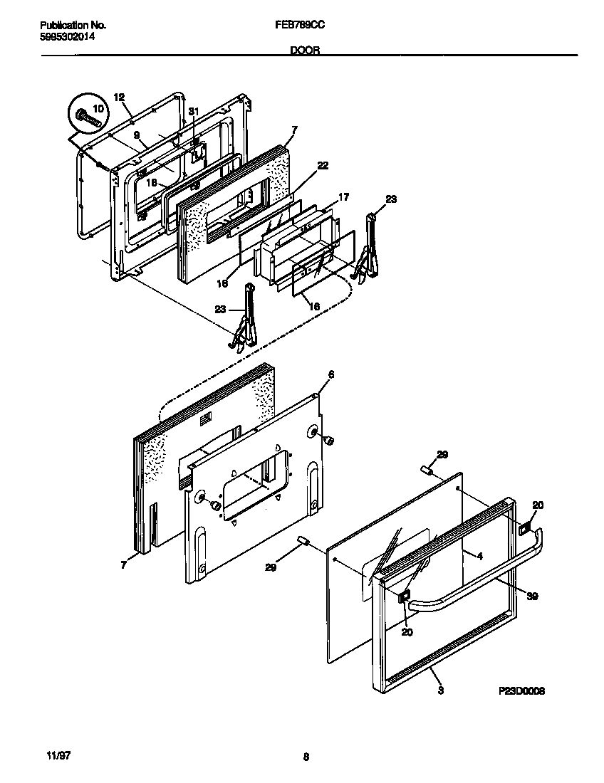
| 3 | WCI 318026111 |
| 4 | WCI 318051602 |
| 6 | WCI 318073503 |
| 7 | WCI 5303311214 |
| 9 | WCI 318048503 |
| 10 | WCI 5303311217 |
| 12 | WCI 318053100 |
| 16 | WCI 318042300 |
| 17 | WCI 318042000 |
| 18 | WCI 318053000 |
| 20 | SPACER-HANDLE,ALMOND |
| 22 | WCI 5303310511 |
| 23 | WCI 318024701 |
| 29 | SPACER-HANDLE MTG, (2) |
| 31 | WCI 318065100 |
| 39 | HANDLE-DOOR,ALMOND ,OVEN |