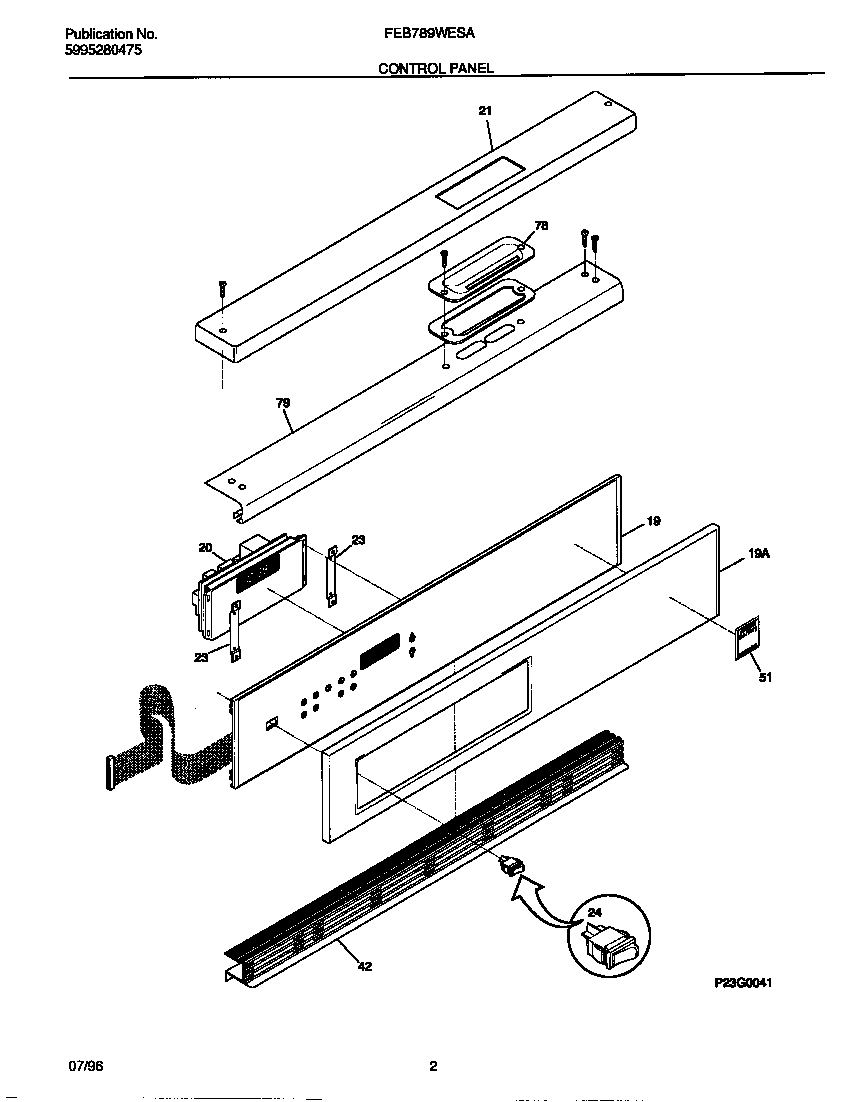
FEB789WESA 02 – CONTROL PANELadmin2025-04-26T08:56:00+00:00FEB789WESA 02 – CONTROL PANEL ProductsPositionProduct*564805303300265 Frigidaire Oven Screw*56482WCI 5303300414*56481WCI 5303311528*564835303211311 Frigidaire Refrigerator Screw19PANEL-DECORATIVE, STAINLESS19WCI 31803020320WCI 530331121020216858001 Frigidaire Refrigerator Screw21SCREW, TOP TRIM, 6-32 X 3/8, BLACK, (2) (NOT ILLUSTRATED21WCI 31802960223WCI 5303311211245304527842 Frigidaire Rocker Switch42WCI 31802731151WCI 31608230178WCI 31803720078WCI 31603770078WCI 31603780079WCI 318028300