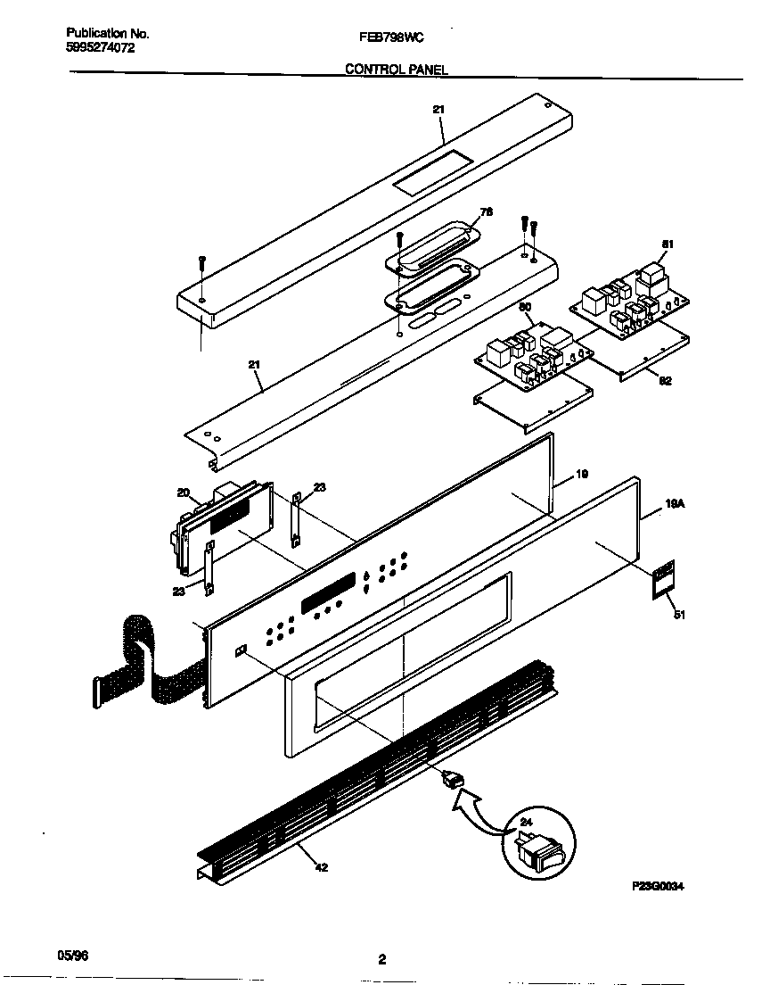
FEB798WCCA 02 – CONTROL PANEL