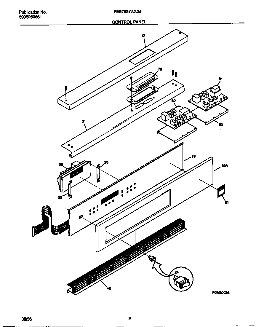
FEB798WCCB 02 – CONTROL PANELadmin2025-04-26T08:56:08+00:00FEB798WCCB 02 – CONTROL PANEL ProductsPositionProduct*570405303300265 Frigidaire Oven Screw*57041WCI 5303300414*57042WCI 5303311528*570435303211311 Frigidaire Refrigerator Screw19WCI 31803020119WCI 31804170120WCI 31801050020216858001 Frigidaire Refrigerator Screw21WCI 31802960323WCI 318015100245304527841 Frigidaire Oven Rocker Switch (Black)42WCI 31802731051NAMEPLATE78WCI 31603780178WCI 31803720078WCI 31603770079SCREW, TOP TRIM, 6-32 X 3/8, BLACK, (2) (NOT ILLUSTRATED79WCI 31802830180318022001 Frigidaire Oven Primary Relay Board81WCI 31802200082WCI 31802360082WCI 5303317199