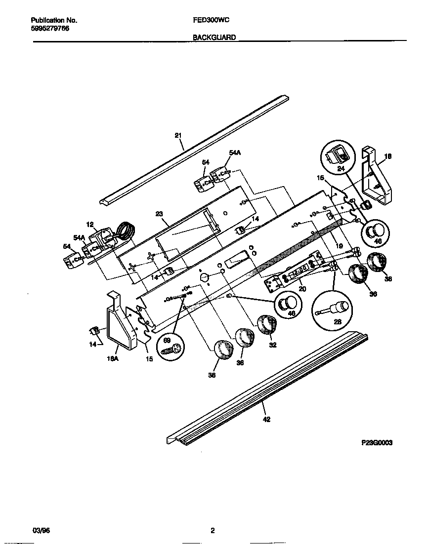
FED300WCWD 02 – BACKGUARDadmin2025-04-26T10:44:02+00:00FED300WCWD 02 – BACKGUARD ProductsPositionProduct12BSCREW12AWCI 530331112014ALIGHT-LAMP/INDICATOR, OVEN14BLIGHT-LAMP/INDICATOR15WCI 530331112318WCI 530330016118WCI 530330016019WCI 530331112120WCI 31606540021WCI 31802780023WCI 318015001245304527841 Frigidaire Oven Rocker Switch (Black)28WCI 530331112232WCI 31801630636Knob,control ,black42WCI 31810690046LENS-LIGHT54SWITCH-SURFACE UNIT54WCI 318120501695303323137 Frigidaire Oven Screw