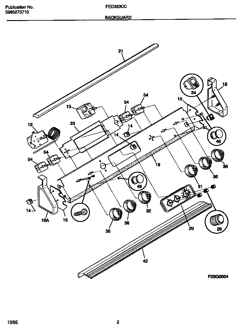
FED353CCWA 02 – BACKGUARDadmin2025-04-26T10:43:20+00:00FED353CCWA 02 – BACKGUARD ProductsPositionProduct*754405303323137 Frigidaire Oven Screw12WCI 530330018813WCI 530330018914CLIGHT-SIGNAL OVEN LOCK14ALIGHT-LAMP/INDICATOR14BLIGHT-SIGNAL S/U15WCI 530331112318WCI 530330016118WCI 530330016019WCI 530330018720WCI 31601740421WCI 530330016423BRACKET-CLOCK MTG245304527841 Frigidaire Oven Rocker Switch (Black)29WCI 31602900031WCI 530330019132WCI 530330019036Knob,control ,black42WCI 530330016546LENS-LIGHT54A5303935086 Frigidaire Oven Top Burner Switch Kit